|


一、產品說明: ??? 先導直動型的電磁閥,其通用介質范圍較廣,可分別使用于水、輕油、重油、非腐蝕性氣體及蒸汽等流體,如電站抽氣管道疏水系統和蒸發器的排氣系統中,主要是對管道中的介質進行雙位自動調節和遠程控制。
二、結構特點:
??? 耐高溫:采用金屬硬密封,提高了使用溫度。介質流體溫度可達425℃耐磨:選材合理,閥杯和導向套間巧妙地利用流體的潤滑作用,減少磨損。采用杠桿原理保證線圈和閥體徹底隔離
三、結構原理:
??? 電磁閥電磁鐵通電時,連桿被提升,帶動轉軸轉動,副閥打開。由于副閥被開啟,主閥閥杯上部的壓力流體被排出,因此主閥閥杯下部的壓力比上部高,這樣下部的壓力將主閥閥杯向上推開。主閥被打開后,上下壓力相等,閥杯在電磁力、上下壓力作用下,置于平衡狀態,閥門開通。斷電時在銜鐵自重及返回彈簧作用下, 關下副閥,副閥關閉后,隨之主閥閥杯上部的壓力升高而將主閥閥杯壓下,達到斷流密封作用,閥門關閉。 四、技術參數 : 介質溫度℃ | ZCZG | ≤250 | ZCZH | ≤400 | 公稱壓力(MPa) | ZCZG | 2.5 | ZCZH | 4.0 | 工作壓差(MPa) | ZCZG | 0.1-2.5 | ZCZH | 0.1-4.0 | 公稱通徑(MPa) | 15 | 20 | 25 | 32 | 40 | 50 | 65 | 80 | 100 | 功耗 | 130VA | 480VA | 電源電壓 | AC220V DC 24V 其余規格可作特殊訂貨 | 額定流量系數(KV) | 3.8 | 7.4 | 10.3 | 18.8 | 25.7 | 41 | 58 | 85 | 154 | 泄漏量(ml/min) | 按JB/T7352-94?F規定 |
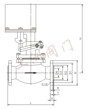
五、ZCZG先導直動高溫電磁閥安裝尺寸: DN | L | H | D | D1 | D2 | D3 | b | f1 | f | n-d | | 10 | 160 | 298 | 90 | 60 | 34 | 41 | 16 | 4 | 2 | 4-?14 | 15 | 160 | 298 | 95 | 65 | 39 | 45 | 16 | 4 | 2 | 4-?14 | 20 | 200 | 304 | 105 | 75 | 50 | 55 | 16 | 4 | 2 | 4-?14 | 25 | 200 | 304 | 115 | 85 | 57 | 65 | 16 | 4 | 2 | 4-?14 | 32 | 200 | 314 | 140 | 100 | 65 | 78 | 18 | 4 | 2 | 4-?18 | 40 | 260 | 460 | 150 | 110 | 75 | 85 | 18 | 4 | 3 | 4-?18 | 50 | 300 | 460 | 165 | 125 | 87 | 100 | 20 | 4 | 3 | 4-?18 | 65 | 290 | 433 | 185 | 145 | 109 | 120 | 22 | 4 | 3 | 8-?18 | 80 | 310 | 433 | 200 | 160 | 120 | 135 | 22 | 4 | 3 | 8-?18 | 100 | 350 | 461 | 235 | 190 | 149 | 160 | 24 | 4.5 | 3 | 8-?22 |
訂貨須知: 一、①ZCZG先導直動高溫電磁閥產品名稱與型號②ZCZG先導直動高溫電磁閥口徑③ZCZG先導直動高溫電磁閥是否帶附件二、若已經由設計單位選定公司的ZCZG先導直動高溫電磁閥型號,請按ZCZG先導直動高溫電磁閥型號 三、當使用的場合非常重要或環境比較復雜時,請您盡量提供設計圖紙和詳細參數,
? ? 相關產品: 2W系列電磁閥 ZCR燃氣切斷閥 DMF-Z電磁隔膜閥 蒸汽電磁閥 ZCF四氟電磁閥 ZBSF不銹鋼電磁閥 不銹鋼高壓電磁閥 零壓啟動電磁閥 塑料電磁閥 電磁閥 MDFZ直角式脈沖電磁閥 YC24D二位四通電磁閥 二位五通電磁閥 ZDF大口徑電磁閥 ABS工程塑料電磁閥 DDC系列真空電磁閥 燃氣電磁閥 ZCRB緊急切斷電磁閥 ZCB高壓電磁閥(德國技術) 不銹鋼高溫電磁閥 ZBF22Q自保持電磁球閥 |
|