|

一、產品[新型止回閥]的詳細資料: 產品名稱:襯里新型止回閥 產品特點:止回閥是一種依靠介質本身的流動而自動啟、閉閥瓣用來阻止介質向逆向流動的自動閥門。 
二、設計規范: 遵循GB/T 13932,GB12235,GB12236,API 6D標準。 法蘭連接止回閥 設計與制造符合中國國家標準 基本結構形式:升降立式。(新型) 主要零部件除閥瓣為整體F3或F46外其它材料見表A15 公稱壓力:DN0.6~1.0(MPa) 公稱通徑:DN25~150(mm) 公稱型號:H40F3 H40F46 三、主要零部件材料表: 遵循規范 | DTANDARD | 設計與制造 | GB商12224 | 結構長度 | Q/DFL-03-99(企業標準) | 法蘭尺寸 | JB78/JB79(GB HG Sh) | 壓力試驗 | GB/T 13927 | 標志 | GB 12220 | 供貨 | GB/T 12252 |
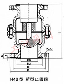
四、H40F新型襯里止回閥主要連接尺寸及重量: 公稱通徑 | 標準值 | 參考值 | DN(mm) | NPS(inch) | L | D | D1 | D2 | f | b | Z-Φd | B | W(kg) | PN0.6(MPa) | 25 | 1 | 152 | 100 | 75 | 60 | 2 | 14 | 4-Φ12 | 135 | 6 | 40 | 1 1/2 | 178 | 130 | 100 | 80 | 3 | 16 | 4-Φ14 | 170 | 10 | 50 | 2 | 178 | 140 | 110 | 90 | 3 | 16 | 4-Φ14 | 190 | 14 | 65 | 2 1/2 | 190 | 160 | 130 | 100 | 3 | 16 | 4-Φ14 | 210 | 18 | 80 | 3 | 203 | 185 | 150 | 125 | 3 | 18 | 4-Φ18 | 235 | 21 | 100 | 4 | 267 | 205 | 170 | 145 | 3 | 18 | 4-Φ18 | 300 | 40 | 150 | 6 | 394 | 260 | 225 | 200 | 3 | 20 | 8-Φ18 | 440 | 90 |
公稱通徑 | 標準值 | 參考值 | DN(mm) | NPS(inch) | L | D | D1 | D2 | f | b | Z-Φd | B | W(kg) | PN1.0(MPa) | 25 | 1 | 152 | 115 | 85 | 65 | 2 | 16 | 4-Φ14 | 135 | 6.8 | 40 | 1 1/2 | 178 | 145 | 110 | 85 | 3 | 18 | 4-Φ18 | 170 | 11.5 | 50 | 2 | 178 | 160 | 125 | 100 | 3 | 20 | 4-Φ8 | 190 | 15 | 65 | 2 1/2 | 190 | 180 | 145 | 120 | 3 | 20 | 4-Φ18 | 210 | 20 | 80 | 3 | 203 | 195 | 160 | 135 | 3 | 22 | 4-Φ18 | 235 | 23 | 100 | 4 | 267 | 215 | 180 | 155 | 3 | 22 | 8-Φ18 | 300 | 44 | 150 | 6 | 394 | 280 | 240 | 210 | 3 | 24 | 8-Φ23 | 440 | 95 |
訂貨須知: 一、①H40F新型襯里止回閥產品名稱與型號②H40F新型襯里止回閥口徑③H40F新型襯里止回閥是否帶附件二、若已經由設計單位選定公司的H40F新型襯里止回閥型號,請按H40F新型襯里止回閥型號 三、當使用的場合非常重要或環境比較復雜時,請您盡量提供設計圖紙和詳細參數,
? ? 相關產品: 蝸輪襯氟蝶閥 彈性座封軟密封閘閥 隔膜閥 襯里截止閥 J44J型內襯角式截止閥 襯膠直流式截止閥 J41J襯膠截止閥 塑料蝶閥 D71J全襯蝶閥 D371X半襯對夾式襯膠蝶閥 對夾氣動襯膠蝶閥 美標襯膠蝶閥 襯膠法蘭蝶閥 |
|