| 
 
 
 一、產品[復合式排氣閥]的詳細資料: 產品型號:CARX 產品名稱:復合式排氣閥 產品特點:本產品用于管路上的最高點有閉氣的地方,來排除管內的氣體來疏通管首,達到正常工作,如不裝排氣閥,管內流動的液體會產生動熱引起氣體形成短路,使管道出水容量達不到設計要求,其次,管道在運轉時出現停電、停泵管道會出現負壓力會引起管道振動或破裂,排(吸)氣閥就迅速反空氣吸入客內,防止管道振動或破裂。  
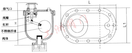
 二、作用原理: 當水進入管道時,塞頭停在定位架下部,進行大量排氣,當空氣排完時,水進入閥內把球浮起傳動塞頭到關閉,停止排氣。如管道在正常運轉時自然會產生少量氣體會聚到管內上部,到相當程度,閥內水位下降,浮球隨時下降氣體從小孔排出。如出現停電,停泵,管內水流空時,管內隨時會出現負壓力,浮球順水下降,打開小孔帶動大孔大量進氣確保管道安全。 三、技術參數: 1、介質:清水 2、使用溫度:常溫 3、閥體:灰鑄鐵HT200 4、浮球與塞頭:不銹鋼 5、密封材料:丁腈橡膠 6、閥體強度打壓:1.5Mpa 7、密封試驗打壓:0.05-1.1Mpa不漏水 四、外形尺寸(尺寸單位:mm):  公稱通徑(DN)   | H  | L  | L1  |  20/25  | 400  | 290  | 180  |  50  | 480  | 370  | 200  |  80  | 600  | 420  | 250  |  100  | 600  | 420  | 250  |  150  | 750  | 600  | 350  |  200  | 870  | 670  | 410  |  
 五、零件材料: NO  | 名稱   | 材質   |  1  | 閥體   | HT200  |  2  | 閥蓋   | HT200  |  3  | 浮球   | 304不銹鋼   |  4  | 閥瓣   | 黃銅、不銹鋼   |  5  | 杠桿   | H59黃銅   |  6  | 塞頭   | 不銹鋼   |  
 六、排氣量表(按每秒1.5-3.0米計算): 規格   | 25   | 55   | 80   | 100   | 150   | 200   | 250   | 300   | 350   | 400   |  200米3/小時   | 4-8   | 10-20   | 25-50   | 40-80   | 61-122   | 83-166   | 100-200   | 170-340   | 240-480   | 330-660   |  
 訂貨須知: 一、①雙口排氣閥產品名稱與型號②雙口排氣閥口徑③雙口排氣閥是否帶附件二、若已經由設計單位選定公司的雙口排氣閥型號,請按雙口排氣閥型號 三、當使用的場合非常重要或環境比較復雜時,請您盡量提供設計圖紙和詳細參數,
  ? ? 相關產品: 快速排氣閥 自力式平衡閥 復合式排氣閥 快速排氣閥 單口排氣閥 不銹鋼排氣閥  |  
  |