|

一、產品[對夾襯膠蝶閥]的詳細資料: 產品名稱:全襯對夾襯膠蝶閥 產品特點:設計與制造:GB12238 結構長度:GB12221(20系列) 法蘭連接尺寸:GB4216 D71X半襯襯膠蝶閥 
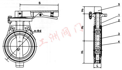
部件列表:1.閥體 2.閥體襯里 3.隔膜 4.閥瓣 5.閥桿 6.閥蓋 7、手輪 二、用途: 密封圈材料代號 | 適用溫度 | 適用介質 | NR | ≤85℃ | 水、空氣、酸堿類 | CR | ≤85℃ | 水、煤氣、酸堿類 | NBR | ≤100℃ | 水、油品 | EPDM | ≤120℃ | 水、蒸汽、一般酸堿類 | FKM | ≤150℃ | 水、蒸汽、強酸堿類 |
三、材料: 閥體 | 鑄鐵、球墨鑄鐵、碳鋼、不銹鋼 | 蝶板 | 鑄鐵、球墨鑄鐵、碳鋼、不銹鋼、碳鋼完全包覆橡膠或氟塑料 | 閥桿 | 碳鋼鍍鎳磷、不銹鋼 | 閥座密封圈 | 天然膠NR、氯丁膠CR、丁腈膠NBR、三元乙丙膠EPDM、氟橡膠FKM | 手柄 | 鋁合金、碳鋼 |
壓力等級:PN(MPa) 1.0 1.6 四、測試: 襯里層:電火花檢測 試驗與檢驗按GB/T13927標準 公稱壓力:PN(MPa) 閥體:PN×1.5 密封:PN×1.1 五、D71J全襯蝶閥主要尺寸參數: 公稱通徑 DN | 公稱壓力 MPa | 工作壓力 MPa | L mm | D mm | D1 mm | n-Φd mm | H1 mm | H2 mm | S mm | H3 mm | 質量 Kg/kilos | 40 | 1.6 1.0 | 1.6 1.0 | 33 | 150 | 110 | 4-18 | 55 | 100 | 235 | 27 | 2 | 50 | 43 | 165 | 125 | 4-18 | 64 | 120 | 235 | 27 | 2.5 | 65 | 46 | 185 | 145 | 4-18 | 80 | 120 | 235 | 27 | 4.5 | 80 | 46 | 200 | 160 | 8-18 | 112 | 130 | 265 | 27 | 5.5 | 100 | 52 | 220 | 180 | 8-18 | 90 | 145 | 265 | 27 | 6.5 | 125 | 56 | 250 | 210 | 8-18 | 112 | 160 | 365 | 32 | 11.5 | 150 | 56 | 285 | 240 | 8-22 | 135 | 175 | 365 | 32 | 13.5 |
訂貨須知: 一、①D71J全襯蝶閥產品名稱與型號②D71J全襯蝶閥口徑③D71J全襯蝶閥是否帶附件二、若已經由設計單位選定公司的D71J全襯蝶閥型號,請按D71J全襯蝶閥型號 三、當使用的場合非常重要或環境比較復雜時,請您盡量提供設計圖紙和詳細參數,
? ? 相關產品: 蝸輪襯氟蝶閥 彈性座封軟密封閘閥 隔膜閥 襯里截止閥 J44J型內襯角式截止閥 襯膠直流式截止閥 襯里立式止回閥 塑料蝶閥 H40F新型襯里止回閥 |
|