| 
 
 
 一、產品[襯膠蝶閥]的詳細資料: 產品名稱:法蘭襯膠蝶閥 產品特點:設計與制造:GB12238 結構長度:GB12221(13系列)法蘭連接尺寸:GB4216 D41J半襯襯膠蝶閥  
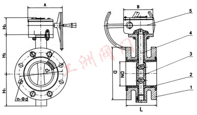
 部件列表:1、閥體 2、閥座 3、蝶板 4、閥桿 二、用途: 密封圈材料代號   | 適用溫度   | 適用介質   |  NR  | ≤85℃   | 水、空氣、酸堿類   |  CR  | ≤85℃   | 水、煤氣、酸堿類   |  NBR  | ≤100℃   | 水、油品   |  CPDM  | ≤120℃   | 水、蒸汽、一般酸堿類   |  FKM  | ≤150℃   | 水、蒸汽、強酸堿類   |  
 三、材料: 閥體   | 鑄鐵、球墨鑄鐵、碳鋼、不銹鋼   |  蝶板   | 鑄鐵、球墨鑄鐵、碳鋼、不銹鋼、碳鋼完全包覆橡膠或氟塑料   |  閥桿   | 碳鋼鍍鎳磷、不銹鋼   |  閥座密封圈   | 天然膠NR、氯丁膠CR、丁腈膠NBR、三元乙丙膠EPDM、氟橡膠FKM  |  氣動裝置   | 組合件   |  
 壓力等級:PN(MPa) 1.0 1.6 四、測試: 襯里層:電火花檢測  試驗與檢驗按GB/T13927標準  公稱壓力:PN(MPa)  閥體:PN×1.5 密封:PN×1.1  任選附件:蝸輪裝置、氣動裝置、電動裝置 五、襯膠法蘭蝶閥主要尺寸參數: 公稱通徑DN  | L mm  | D mm  | D1 mm  | n-d(mm)   | H1 mm  | H2 mm   | 質量   |  PN1.6  | PN1.6  |  50  | 108  | 165  | 125  | 4-18  | 4-18  | 91  | 120  | 8  |  65  | 112  | 185  | 145  | 4-18  | 4-18  | 104  | 140  | 11.5  |  80  | 114  | 200  | 160  | 8-18  | 8-18  | 107  | 150  | 12.5  |  100  | 127  | 220  | 180  | 8-18  | 8-18  | 135  | 165  | 23  |  125  | 140  | 250  | 210  | 8-18  | 8-18  | 129  | 190  | 40.5  |  150  | 140  | 285  | 240  | 8-22  | 8-22  | 131  | 205  | 46.5  |  200  | 152  | 340  | 295  | 8-22  | 12-22  | 177  | 2550  | 61  |  250  | 165  | 395  | 350  | 12-22  | 12-26  | 206  | 270  | 73.5  |  300  | 178  | 445  | 400  | 12-22  | 12-26  | 220  | 320  | 103  |  350  | 190  | 505  | 460  | 16-22  | 16-26  | 264  | 358  | 120  |  400  | 216  | 565  | 515  | 16-26  | 16-30  | 298  | 400  | 217  |  450  | 222  | 615  | 565  | 16-26  | - | 327  | 420  | 242  |  500  | 229  | 671  | 620  | 20-26  | - | 352  | 480  | 279  |  600  | 267  | 780  | 725  | 20-30  | - | 446  | 560  | 396  |  700  | 292  | 895  | 840  | 24-30  | - | 486  | 610  | 596  |  
 訂貨須知: 一、①襯膠法蘭蝶閥產品名稱與型號②襯膠法蘭蝶閥口徑③襯膠法蘭蝶閥是否帶附件二、若已經由設計單位選定公司的襯膠法蘭蝶閥型號,請按襯膠法蘭蝶閥型號 三、當使用的場合非常重要或環境比較復雜時,請您盡量提供設計圖紙和詳細參數,
  ? ? 相關產品: 蝸輪襯氟蝶閥 彈性座封軟密封閘閥 隔膜閥 襯里截止閥 J44J型內襯角式截止閥 襯膠直流式截止閥 襯里立式止回閥 塑料蝶閥 D71J全襯蝶閥 D371X半襯對夾式襯膠蝶閥 對夾氣動襯膠蝶閥 美標襯膠蝶閥 H40F新型襯里止回閥  |  
  |