|

GDQ-J-A系列常閉型氣動高真空擋板閥是通過電磁轉向閥依靠壓縮空氣作為閥板啟閉動力,在失去電源或壓縮空氣時,通徑DN80以下的閥門將依靠彈簧力自動關閉閥門,DN100以上的閥門通過電磁閥組利用單向閥迅速關閉氣缸原有的氣源壓力達到自動關閉閥門。從而達到真空系統中迅速切斷氣流之功能。GDQ-J型為角通型式,GDQ-S型為帶預抽口的三通型式。 適用的工作介質為空氣及非腐蝕性氣體。
| 主要技術性能 | | ? | 適用范圍(Pa) | 105~1.3x10-4 | 閥門漏率(Pa.L/S) | ≤1.3x10-6 | 介質溫度(℃) | -25~+80(密封材料為丁腈橡膠) -30~+150(密封材料為氟橡膠) | 氣源壓力(MPa) | 0.4~0.8 | 安裝位置 | DN<300任意,DN≥300垂直 | 電源電壓 | 標準出廠:AC220V/50Hz 特殊指定:AC110V;DC24V;DC12V等 | 信號反饋 | 標準出廠:不帶反饋信號 特殊指定:磁性開關DC/AC5~240V |
| | ? | | (圖一)(KF)連接及外形尺寸 | | ? | 型號 | 通徑(DN) | ΦD | ΦB | H | A | 法蘭標準 | GDQ-J10A/KF | 10 | 30 | 12.2 | 180 | 30 | GB4982 | GDQ-J16A/KF | 16 | 30 | 17.2 | 180 | 40 | GDQ-J25A/KF | 25 | 40 | 26.2 | 200 | 50 | GDQ-J40A/KF | 40 | 55 | 41.2 | 210 | 65 | GDQ-J50A/KF | 50 | 75 | 52.2 | 276 | 70 | / |
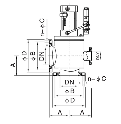
| | ? | | ((圖二)活套法蘭連接及外形尺寸 | | ? | 型號 | 通徑(DN) | ΦD | ΦB | H | A | n-ΦC | DNy(預抽口) | n-Mb | 法蘭標準 | GDQ-J50A | 50 | 110 | 90 | 276 | 70 | 4-Φ9 | / | / | GB/T6070 | GDQ-J63A | 63 | 130 | 110 | 283 | 88 | GDQ-J80A | 80 | 145 | 125 | 314 | 88 | 8-Φ9 | GDQ-J100A | 100 | 165 | 145 | 338 | 108 | GDQ-J125A | 125 | 200 | 175 | 424 | 128 | 8-Φ11 | GDQ-J(S)150A | 150 | 220 | 195 | 482 | 138 | DN40(GB4982) | JB919 | GDQ-J(S)160A | 160 | 225 | 200 | 482 | 138 | GB/T6070 | GDQ-J(S)200A | 200 | 285 | 260 | 620 | 200 | 12-Φ11 | DN50(GB/T6070) | GDQ-J(S)250A | 250 | 335 | 310 | 655 | 208 | DN63(GB/T6070) | GDQ-J(S)300A | 300 | 380 | 350 | 783 | 250 | 8-Φ14 | DN80(GB/T6070) | JB919 | GDQ-J(S)320A | 320 | 425 | 395 | 789 | 250 | 12-Φ14 | GB/T6070 | GDQ-J(S)400A | 400 | 510 | 480 | 1210 | 330 | 16-Φ14 | DN100(GB/T6070) | 16-M12 | GDQ-J(S)400A | 400 | 500 | 465 | 1210 | 330 | 8-M16 | JB919 | GDQ-J(S)500A | 500 | 610 | 580 | 1270 | 360 | DN125(GB/T6070) | 16-M10 | GB/T6070 | GDQ-J(S)600A | 600 | 710 | 670 | 1562 | 450 | 12-Φ21 | DN160(GB/T6070) | 12-M18 | JB919 | GDQ-J(S)630A | 630 | 750 | 720 | 1562 | 450 | 20-Φ14 | 20-M10 | GB/T6070 | GDQ-J(S)800A | 800 | 920 | 890 | 1900 | 520 | 24-Φ14 | DN200(GB/T6070) | 24-M10 |
| | 注:采用JB919法蘭連接標準,其側口同樣為GB/T6070標準 |
|

訂貨須知: 一、①真空閥產品名稱與型號②真空閥口徑③真空閥是否帶附件 二、若已經由設計單位選定公司的ZRSF(H)型電子式三通電動調節閥型號,請按ZRSF(H)型電子式三通電動調節閥型號 相關產品:
電磁真空帶充氣閥DDC-JQ系列 電磁真空帶充氣閥DDC-JQ-B系列 低真空電磁壓差充氣閥DYC-JQ系列 電磁真空壓差式充氣閥DYC-JQ、GYC-JQ系列 電磁高真空充氣閥GQC系列 電磁高真空帶充氣閥GDC-Q5型 電磁高真空擋板閥GDC-J系列 氣動高真空擋板閥GDQ系列 高真空擋板閥GD-J系列 電、氣動高真空擋板閥GDQ-J(b)系列(帶波紋管密封) 氣動高真空擋板閥GDQ-J(b)-A系列(帶波紋管密封) 手動高真空擋板閥GD-J(b)系列(帶波紋管密封) 常閉型氣動高真空擋板閥GDQ-J-A系列 三通式氣動高真空擋板閥GDQ-JS系列 電磁高真空擋板閥GDC-5型 高真空蝶閥GI系列 高真空蝶閥GI-A系列 高真空蝶閥GI-C系列 氣動高真空蝶閥GIQ系列 氣動高真空蝶閥GIQ-A系列 氣動高真空蝶閥GIQ-B系列 氣動高真空蝶閥GIQ-AB系列 電動高真空蝶閥GID系列 電動高真空蝶閥GID-A系列 真空(壓力)球閥GU系列 氣動真空(壓力)球閥GUQ系列 電動真空(壓力)球閥GUD系列 高真空微調閥GW-J-T系列 高真空隔膜閥GM系列 活塞角座閥J611F系列 真空流量調節閥ZT-B系列 超高真空插板閥CC-A系列 氣動超高真空插板閥CCQ-A系列
|