.jpg)
GD-J(b) 系列手動高真空擋板閥(又稱角閥)是真空系統中的重要元件之一,該閥傳動部件采用螺紋結構,依靠人手旋轉手輪、啟閉閥板。
適用的介質為空氣及非腐蝕性氣體。
| 主要技術性能 | ||||||||||||||||||||||||||||||||||||||||
| ? | ||||||||||||||||||||||||||||||||||||||||
| ||||||||||||||||||||||||||||||||||||||||
| ? | ||||||||||||||||||||||||||||||||||||||||
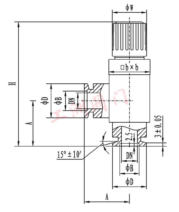
| 連接及外形尺寸 | ||||||||||||||||||||||||||||||||||||||||
| ? | ||||||||||||||||||||||||||||||||||||||||
|
.jpg)
訂貨須知:
一、①真空閥產品名稱與型號②真空閥口徑③真空閥是否帶附件 二、若已經由設計單位選定公司的ZRSF(H)型電子式三通電動調節閥型號,請按ZRSF(H)型電子式三通電動調節閥型號
相關產品:
電磁真空帶充氣閥DDC-JQ系列
電磁真空帶充氣閥DDC-JQ-B系列
低真空電磁壓差充氣閥DYC-JQ系列
電磁真空壓差式充氣閥DYC-JQ、GYC-JQ系列
電磁高真空充氣閥GQC系列
電磁高真空帶充氣閥GDC-Q5型
電磁高真空擋板閥GDC-J系列
氣動高真空擋板閥GDQ系列
高真空擋板閥GD-J系列
電、氣動高真空擋板閥GDQ-J(b)系列(帶波紋管密封)
氣動高真空擋板閥GDQ-J(b)-A系列(帶波紋管密封)
手動高真空擋板閥GD-J(b)系列(帶波紋管密封)
常閉型氣動高真空擋板閥GDQ-J-A系列
三通式氣動高真空擋板閥GDQ-JS系列
電磁高真空擋板閥GDC-5型
高真空蝶閥GI系列
高真空蝶閥GI-A系列
高真空蝶閥GI-C系列
氣動高真空蝶閥GIQ系列
氣動高真空蝶閥GIQ-A系列
氣動高真空蝶閥GIQ-B系列
氣動高真空蝶閥GIQ-AB系列
電動高真空蝶閥GID系列
電動高真空蝶閥GID-A系列
真空(壓力)球閥GU系列
氣動真空(壓力)球閥GUQ系列
電動真空(壓力)球閥GUD系列
高真空微調閥GW-J-T系列
高真空隔膜閥GM系列
活塞角座閥J611F系列
真空流量調節閥ZT-B系列
超高真空插板閥CC-A系列
氣動超高真空插板閥CCQ-A系列