 
  | 產品名稱: | 三偏心多層次硬密封法蘭蝶閥 | 
| 產品型號: | Dd343H | 
| 產品口徑: | DN50-2000 | 
| 產品壓力: | 0.6~10.0Mpa | 
| 產品材質: | 鑄鋼、不銹鋼、合金鋼等 | 
| 產品概括: | 生產標準:國家標準GB、機械標準JB、化工標準HG、美標API、ANSI、德標DIN、日本JIS、JPI、英標BS生產。閥體材質:銅、鑄鐵、鑄鋼、碳鋼、WCB、WC6、WC9、20#、25#、鍛鋼、A105、F11、F22、不銹鋼、304、304L、316、316L、鉻鉬鋼、低溫鋼、鈦合金鋼等。工作壓力1.0Mpa-50.0Mpa。工作溫度:-196℃-650℃。連接方式:內螺紋、外螺紋、法蘭、焊接、對焊、承插焊、卡套、卡箍。驅動方式:手動、氣動、液動、電動。 | 
 | ? | 
                      ?                        產品詳細信息 | 
三偏心多層次硬密封法蘭蝶閥概述: 三偏心多層次硬密封法蘭蝶閥系列產品,系長壽命、節能型蝶閥。其結構采用三維編心原理設計,閥座采用硬軟密封兼容的多層次結構,加工精湛,工藝先進。本產品由閥體、蝶板、多層次閥座、閥桿、傳動機構等主要部件組成。因此被廣泛地應用到冶金、電力、石油、化工、空氣、煤氣、可燃氣體以及給排水等腐蝕性介質的管道上。 特點 由于本產品蝶閥采用的是三維偏心原理設計,使密封面的空間運動軌跡達到理想化,密封面相互之間無磨擦、無干涉、加之密封材料選擇得當,從而使蝶閥的密封性、耐腐蝕性、耐高溫性和耐磨性等得到了可靠的保證。其主要特點如下: 1、開啟力矩小,靈活方便,省力節能。 2、三維編心結構,使蝶板越關越緊,其密封性能可靠,達到無泄漏。 3、耐高壓、耐腐蝕、耐磨損、使用壽命長等。 采用標準 設計標準 :GB/T12238-1989;JB/T8527-1997 法蘭連接尺寸: ?GB/T9113.1-2000;GB/T9113.2-2000 ?GB/T9115.1-2000;GB/T9115.2-2000 ?結構長度:GB/T12221-1989 ?壓力試驗:GB/T13927-1992;JB/T9092-1999 主要技術參數 公稱通徑  | DN(mm)  | 50~2000  | 50~500  |  公稱壓力  | PN(MPa)  | 0.6  | 1.0  | 1.6  | 2.5  | 4.0  |  試驗壓力  | 強度試驗  | 0.9  | 1.5  | 2.4  | 3.75  | 6.0  |  密封試驗  | 0.66  | 1.1  | 1.76  | 2.75  | 4.4  |  氣密封試驗  | 0.6  | 0.6  | 0.6  | 0.6  | 0.6  |  滲漏率  | <0.1×DNmm3/s(符合GB/T13927-92標準)  |  適用溫度  | 碳鋼:-29℃~425℃ 不銹鋼-40℃~600℃  |  適用介質  | 空氣、水、蒸氣、煤氣、油品以及酸、堿、鹽帶有弱腐蝕性介質等  |  驅動形式  | 蝸桿蝸輪傳動、氣傳動、電傳動  |  
  |   主要零件的材質零件名稱  | 材料  |  閥體  | 鑄鐵、不銹鋼、鉻鉬鋼、合金鋼  |  蝶板  | 鑄鋼、合金鋼、不銹鋼、鉻鉬鋼  |  密封圈  | 不銹鋼與耐高溫石棉板組合成多層次  |  閥桿  | 2Cr13、1Cr13不銹鋼、鉻鉬鋼  |  軸承  | 奧氏體不銹鋼、304氮化  |  填料  | 柔性石墨  |  
  |   三偏心特點及原理
  1、偏離管道中心 2、偏離密封面中心 3、傾斜的錐形
  當閥門開啟時,蝶板與閥座在關閉時瞬間接觸,利用蝶板偏心1、偏心2迅速脫離閥座,降低了密封副的磨損,磨擦力矩小,開啟靈活。偏心錐面3,使閥門在開啟或關閉時蝶板能通過閥座內孔,實現接觸密封。另外,錐形蝶板的旋轉半徑大于密封副接觸位置的旋轉半徑,故蝶板在閥門關閉時將出現越關越緊,能夠實現自鎖,防止蝶板過位。
 
  |    |  
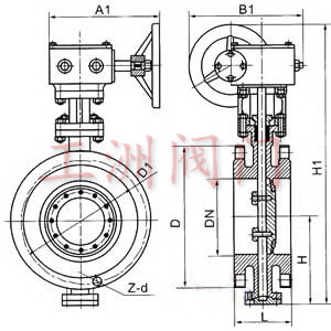
  外形尺寸
   |   |  
 Dd  | 3 | 43H- | 6 | C.P.R.V系列法蘭式多層次金屬硬密封蝶閥 |  | 6 |  | 9 | 10 |  
 公稱通徑   | 長度 標準值  | 外形尺寸 (參考值)  | 連接尺寸 (標準值)  | 重量 (kg)  |  L  | H  | Dd343H  | Dd643H  | Dd943H  | PN0.6MPa  | PN1.0MPa  |  毫米  | 英寸  | 短  | 長  | H1  | A1  | B1  | H2  | A2  | B2  | H3  | A3  | B3  | D  | D1  | Z-d  | D  | D1  | Z-d  |  50  | 2  | 108  | 150  | 112  | 350  | 180  | 200  | 625  | 245  | 72  | 530  | 250  | 255  | 140  | 110  | 4-14  | 165  | 125  | 4-18  | 17  |  65  | 21/2  | 112  | 170  | 115  | 370  | 180  | 200  | 625  | 245  | 72  | 530  | 250  | 255  | 160  | 130  | 4-14  | 185  | 145  | 4-18  | 20  |  80  | 3  | 114  | 180  | 120  | 380  | 180  | 200  | 645  | 245  | 72  | 565  | 250  | 255  | 190  | 150  | 4-18  | 200  | 160  | 8-18  | 23  |  100  | 4  | 127  | 190  | 138  | 420  | 180  | 200  | 675  | 355  | 92  | 600  | 250  | 255  | 210  | 170  | 4-18  | 220  | 180  | 8-18  | 25  |  125  | 5  | 140  | 200  | 164  | 460  | 180  | 200  | 715  | 355  | 92  | 640  | 250  | 255  | 240  | 200  | 8-18  | 250  | 210  | 8-18  | 40  |  150  | 6  | 140  | 210  | 175  | 555  | 270  | 280  | 800  | 355  | 92  | 705  | 300  | 315  | 265  | 225  | 8-18  | 285  | 240  | 8-22  | 47  |  200  | 8  | 152  | 230  | 200  | 760  | 400  | 425  | 850  | 250  | 170  | 775  | 300  | 315  | 320  | 280  | 8-18  | 340  | 295  | 8-22  | 60  |  250  | 10  | 165  | 250  | 243  | 830  | 400  | 425  | 925  | 250  | 170  | 945  | 300  | 315  | 375  | 335  | 12-18  | 395  | 350  | 12-22  | 95  |  300  | 12  | 178  | 270  | 250  | 895  | 450  | 560  | 1035  | 450  | 220  | 1070  | 300  | 315  | 400  | 395  | 12-22  | 445  | 400  | 12-22  | 124  |  350  | 14  | 190  | 290  | 280  | 950  | 450  | 560  | 1070  | 450  | 220  | 1140  | 300  | 315  | 490  | 445  | 12-22  | 505  | 460  | 16-22  | 181  |  400  | 16  | 216  | 310  | 305  | 1190  | 535  | 580  | 1190  | 450  | 220  | 1210  | 300  | 315  | 540  | 495  | 16-22  | 565  | 515  | 16-26  | 260  |  450  | 18  | 222  | 330  | 350  | 1255  | 535  | 580  | 1250  | 650  | 280  | 1335  | 575  | 714  | 595  | 550  | 16-22  | 615  | 565  | 20-26  | 338  |  500  | 20  | 229  | 350  | 380  | 1305  | 535  | 580  | 1290  | 650  | 280  | 1415  | 575  | 714  | 645  | 600  | 20-22  | 670  | 620  | 20-26  | 360  |  600  | 24  | 267  | 390  | 445  | 1340  | 570  | 660  | 1455  | 850  | 380  | 1605  | 656  | 810  | 755  | 705  | 20-26  | 780  | 725  | 20-30  | 540  |  700  | 28  | 292  | 430  | 480  | 1520  | 750  | 550  | 1585  | 850  | 380  | 1844  | 656  | 810  | 860  | 810  | 24-26  | 895  | 840  | 24-30  | 580  |  800  | 32  | 318  | 470  | 530  | 1710  | 750  | 550  | 1700  | 1250  | 380  | 2040  | 656  | 810  | 975  | 920  | 24-30  | 1015  | 950  | 24-33  | 845  |  900  | 36  | 330  | 510  | 580  | 1810  | 750  | 550  | 1965  | 1250  | 380  | 2255  | 785  | 863  | 1075  | 1020  | 24-30  | 1115  | 1050  | 28-33  | 1050  |  1000  | 40  | 410  | 550  | 650  | 1960  | 900  | 750  | 2015  | 1250  | 380  | 2380  | 785  | 863  | 1175  | 1120  | 28-30  | 1230  | 1160  | 28-36  | 1500  |  1200  | 48  | 470  | 630  | 760  | 2250  | 1000  | 925  | 2250  | 1250  | 380  | 2640  | 785  | 863  | 1405  | 1340  | 32-33  | 1455  | 1380  | 32-39  | 2000  |  1400  | 56  | 530  | 710  | 850  | 2435  | 1000  | 925  |  |  |  | 2886  |  |  | 1630  | 1560  | 36-36  | 1675  | 1590  | 36-42  | 3000  |  1600  | 64  | 600  | 790  | 1030  | 2780  | 1000  | 925  |  |  |  | 3156  |  |  | 1830  | 1760  | 40-36  | 1915  | 1820  | 40-48  | 4700  |  1800  | 72  | 670  | 870  | 1230  | 3020  | 1100  | 980  |  |  |  | 3421  |  |  | 2045  | 1970  | 44-39  | 2115  | 2020  | 44-48  | 6500  |  2000  | 80  | 760  | 950  | 1350  | 3270  | 1100  | 980  |  |  |  | 3685  |  |  | 2265  | 2180  | 48-42  | 2325  | 2230  | 48-48  | 8700  |  
  |  Dd  |  | 43H-  |  | C.P.R.V系列法蘭式多層次金屬硬密封蝶閥 |  
 公稱通徑   | 長度 標準值  | 外形尺寸 (參考值)  | 連接尺寸 (標準值)  | 重量 (kg)  |  L  | H  | Dd343H  | Dd643H  | Dd943H  | PN1.6MPa  | PN2.5MPa  |  毫米  | 英寸  | 短  | 長  | H1  | A1  | B1  | H2  | A2  | B2  | H3  | A3  | B3  | D  | D1  | Z-d  | D  | D1  | Z-d  |  50  | 2  | 108  | 150  | 112  | 350  | 180  | 200  | 625  | 245  | 72  | 530  | 250  | 255  | 165  | 125  | 4-18  | 165  | 125  | 4-18  | 19  |  65  | 21/2  | 112  | 170  | 115  | 370  | 180  | 200  | 625  | 245  | 72  | 530  | 250  | 255  | 185  | 145  | 4-18  | 185  | 145  | 8-18  | 22  |  80  | 3  | 114  | 180  | 120  | 380  | 180  | 200  | 645  | 245  | 72  | 565  | 250  | 255  | 200  | 160  | 8-18  | 200  | 160  | 8-18  | 25  |  100  | 4  | 127  | 190  | 138  | 420  | 180  | 200  | 675  | 355  | 92  | 600  | 250  | 255  | 220  | 180  | 8-18  | 235  | 190  | 8-22  | 28  |  125  | 5  | 140  | 200  | 164  | 460  | 180  | 200  | 715  | 355  | 92  | 640  | 250  | 255  | 250  | 210  | 8-18  | 270  | 220  | 8-26  | 43  |  150  | 6  | 140  | 210  | 175  | 555  | 270  | 280  | 800  | 355  | 92  | 705  | 300  | 315  | 285  | 240  | 8-22  | 300  | 250  | 8-26  | 50  |  200  | 8  | 152  | 230  | 200  | 760  | 400  | 425  | 850  | 250  | 170  | 775  | 300  | 315  | 340  | 295  | 12-22  | 360  | 310  | 12-26  | 64  |  250  | 10  | 165  | 250  | 243  | 830  | 400  | 425  | 925  | 250  | 170  | 945  | 300  | 315  | 405  | 355  | 12-26  | 425  | 370  | 12-30  | 99  |  300  | 12  | 178  | 270  | 250  | 895  | 450  | 560  | 1035  | 450  | 220  | 1070  | 300  | 315  | 460  | 410  | 12-26  | 485  | 430  | 16-30  | 130  |  350  | 14  | 190  | 290  | 280  | 950  | 450  | 560  | 1070  | 450  | 220  | 1140  | 300  | 315  | 520  | 470  | 16-26  | 555  | 490  | 16-33  | 188  |  400  | 16  | 216  | 310  | 305  | 1190  | 535  | 580  | 1190  | 450  | 220  | 1210  | 300  | 315  | 580  | 525  | 16-30  | 620  | 550  | 16-36  | 270  |  450  | 18  | 222  | 330  | 350  | 1255  | 535  | 580  | 1250  | 650  | 280  | 1335  | 575  | 714  | 640  | 585  | 20-30  | 670  | 600  | 20-36  | 350  |  500  | 20  | 229  | 350  | 380  | 1305  | 535  | 580  | 1290  | 650  | 280  | 1415  | 575  | 714  | 715  | 650  | 20-33  | 730  | 660  | 20-36  | 375  |  600  | 24  | 267  | 390  | 445  | 1340  | 570  | 660  | 1455  | 850  | 380  | 1605  | 656  | 810  | 840  | 770  | 20-36  | 845  | 770  | 20-39  | 560  |  700  | 28  | 292  | 430  | 480  | 1520  | 750  | 550  | 1585  | 850  | 380  | 1844  | 656  | 810  | 910  | 840  | 24-36  | 960  | 875  | 24-42  | 610  |  800  | 32  | 318  | 470  | 530  | 1710  | 750  | 550  | 1700  | 1250  | 380  | 2040  | 656  | 810  | 1025  | 950  | 24-39  | 1085  | 990  | 24-48  | 880  |  900  | 36  | 330  | 510  | 580  | 1810  | 750  | 550  | 1865  | 1250  | 380  | 2255  | 785  | 863  | 1125  | 1050  | 28-39  | 1185  | 1090  | 28-48  | 1100  |  1000  | 40  | 410  | 550  | 650  | 1960  | 900  | 750  | 2015  | 1250  | 380  | 2380  | 785  | 863  | 1255  | 1170  | 28-42  | 1320  | 1210  | 28-56  | 1600  |  1200  | 48  | 470  | 630  | 760  | 2250  | 1000  | 925  | 2250  | 1250  | 380  | 2640  | 785  | 863  | 1485  | 1390  | 32-48  | 1530  | 1420  | 32-56  | 2150  |  1400  | 56  | 530  | 710  | 850  | 2435  | 1000  | 925  |  |  |  | 2886  |  |  | 1685  | 1590  | 36-48  | 1755  | 1640  | 36-62  | 3200  |  1600  | 64  | 600  | 790  | 1030  | 2780  | 1000  | 925  |  |  |  | 3156  |  |  | 1930  | 1820  | 40-56  | 1975  | 1860  | 40-62  | 5000  |  1800  | 72  | 670  | 870  | 1230  | 3020  | 1100  | 980  |  |  |  | 3421  |  |  | 2130  | 2020  | 44-56  | 2195  | 2070  | 44-70  | 6900  |  2000  | 80<, /DIV>  | 760  | 950  | 1350  | 3270  | 1100  | 980  |  |  |  | 3685  |  |  | 2345  | 2230  | 48-62  | 2425  | 2300  | 48-70  | 9100  |  
  |  | Dd |  | 43H-  | 40C.P.R.V系列法蘭式多層次金屬硬密封蝶閥 |  
 公稱通徑   | 結構長度 (標準值)  | 外形尺寸 (參考值)  | 連接尺寸 (標準值)  |  L  | H  | Dd343H  | Dd643H  | Dd943H  | PN4.0MPa  |  毫米  | 英寸  | 短  | 長  | H1  |  | B1  | H2  | A2  | B2  | H3  | A3  | B3  | D  | D1  | Z-d  |  50  | 2  | 108  | 150  | 112  | 350  | 180  | 200  | 625  | 250  | 170  | 530  | 250  | 255  | 165  | 125  | 4-18  |  65  | 21/2  | 112  | 170  | 115  | 370  | 270  | 280  | 625  | 250  | 170  | 530  | 250  | 255  | 185  | 145  | 8-18  |  80  | 3  | 114  | 180  | 120  | 380  | 270  | 280  | 645  | 250  | 170  | 565  | 250  | 255  | 200  | 160  | 8-18  |  100  | 4  | 127  | 190  | 138  | 420  | 270  | 280  | 675  | 250  | 170  | 600  | 250  | 255  | 235  | 190  | 8-22  |  125  | 5  | 140  | 200  | 164  | 460  | 380  | 420  | 715  | 450  | 220  | 640  | 250  | 255  | 270  | 220  | 8-26  |  150  | 6  | 140  | 210  | 175  | 555  | 380  | 420  | 800  | 450  | 220  | 705  | 300  | 315  | 300  | 250  | 8-26  |  200  | 8  | 152  | 230  | 200  | 760  | 400  | 425  | 850  | 450  | 220  | 775  | 300  | 315  | 375  | 320  | 12-30  |  250  | 10  | 165  | 250  | 243  | 830  | 400  | 425  | 925  | 450  | 280  | 945  | 300  | 315  | 450  | 385  | 12-33  |  300  | 12  | 178  | 270  | 250  | 895  | 450  | 560  | 1035  | 650  | 280  | 1070  | 300  | 315  | 515  | 450  | 16-33  |  350  | 14  | 190  | 290  | 280  | 950  | 450  | 560  | 1070  | 650  | 280  | 1140  | 300  | 315  | 580  | 510  | 16-36  |  400  | 16  | 216  | 210  | 305  | 1190  | 535  | 580  | 1190  | 650  | 280  | 1210  | 300  | 315  | 660  | 585  | 16-39  |  450  | 18  | 222  | 330  | 350  | 1255  | 535  | 580  |  |  |  | 1335  | 575  | 714  | 685  | 610  | 20-39  |  500  | 20  | 229  | 350  | 380  | 1305  | 535  | 580  |  |  |  | 1415  | 575  | 714  | 755  | 670  | 20-42  |  
  |  注:法蘭標準:GB/T9113.1-2000 GB/T911.5.1-2000 用戶注意:表中H1、H2、H3尺寸均可根據用戶需要加長(長桿蝶閥),若需特殊材料定貨時提出。 注:Dd-代表多層次密封結構  |  
  |  
  |  
  |