 
  | 產品名稱: | 彈性硬密封對夾蝶閥 | 
| 產品型號: | DT73H | 
| 產品口徑: | DN50~DN1200 | 
| 產品壓力: | 0.6~10.0Mpa | 
| 產品材質: | 鑄鋼、不銹鋼、合金鋼等 | 
| 產品概括: | 生產標準:國家標準GB、機械標準JB、化工標準HG、美標API、ANSI、德標DIN、日本JIS、JPI、英標BS生產。閥體材質:銅、鑄鐵、鑄鋼、碳鋼、WCB、WC6、WC9、20#、25#、鍛鋼、A105、F11、F22、不銹鋼、304、304L、316、316L、鉻鉬鋼、低溫鋼、鈦合金鋼等。工作壓力1.0Mpa-50.0Mpa。工作溫度:-196℃-650℃。連接方式:內螺紋、外螺紋、法蘭、焊接、對焊、承插焊、卡套、卡箍。驅動方式:手動、氣動、液動、電動。 | 
 | ? | 
                      ?                        產品詳細信息 | 
彈性硬密封對夾蝶閥概述: Dt73彈性硬密封對夾蝶閥采用一個“U”型不銹鋼密封圈,該精密的彈性密封圈與經過拋光的蝶板三維偏心接觸。解決了傳統偏心蝶閥在啟閉0°~10°瞬間密封面仍處于滑動接觸摩擦的弊病,實現蝶板在開啟瞬間密封面即分離,關閉接觸即密封的效果,達到延長使用壽命、密封性能最佳的目的。因此被廣泛地應用到介質溫度≤550℃的冶金、電力、石油、化工、空氣、煤氣、可燃氣體以及給排水等腐蝕性介質的管道上,是調節流量和截斷流體的最佳裝置。 特點 1、該蝶閥結構簡單、緊湊、重量輕、易于安裝和拆卸、維修方便; 2、本蝶閥采用不銹鋼“U”型密封圈,具有一定的彈性無論在高溫、低溫的情況下,它與蝶板均具有優良的密封性; 3、本蝶閥的三維偏心距,經過嚴格的計算,“U”型密封圈與蝶板幾乎無磨擦,使用壽命長,并具有越關越緊的功能; 4、蝶板密封面采用堆焊鈷基硬質合金,密封面耐磨損,使用壽命長; 5、本蝶閥結構獨特,“開關”僅需轉動閥桿90°即可完成。操作靈活、方便、省力、不受介質壓力的高低影響,密封性能可靠; 6、耐高溫、耐低溫、耐腐蝕性。 采用標準 設計標準 :GB/T12238-1989 法蘭連接尺寸: ?GB/T9113.1-2000;GB/T9113.2-2000 ?GB/T9115.1-2000;GB/T9115.2-2000 ?結構長度:GB/T12221-1989 ?壓力試驗:GB/T13927-1992;JB/T9092-1999 主要技術參數公稱通徑  | DN(mm)  | 50~1200  |  公稱壓力  | PN(MPa)  | 0.6  | 1.0  | 1.6  | 2.5  | 4.0  |  試驗壓力  | 強度試驗  | 0.9  | 1.5  | 2.4  | 3.75  | 6.0  |  密封試驗  | 0.66  | 1.1  | 1.76  | 2.75  | 4.4  |  氣密封試驗  | 0.6  | 0.6  | 0.6  | 0.6  | 0.6  |  適用介質  | 水、蒸氣、油品、酸類腐蝕性等。  |  驅動方式  | 手動、蝸輪傳動、氣動、電動  |  適用溫度  | 碳鋼 :-29℃~600℃ 不銹鋼-40℃~600℃  |  
  |   主要零件的材質
 零件名稱  | 材料  |  閥體  | 鑄鐵、鑄鋼、不銹鋼、鉻鉬鋼、合金鋼  |  蝶板  | 鑄鋼、合金鋼(鍍硬鉻)、不銹鋼、鉻鉬鋼  |  密封圈  | 不銹鋼、聚內脂、抗磨材料  |  閥桿  | 2Cr13、1Cr13不銹鋼、鉻鉬鋼  |  填料  | 柔性石墨   |  
  |  三偏心特點及原理
  1、偏離管道中心 2、偏離密封面中心 3、傾斜的錐形
  當閥門開啟時,蝶板與閥座在關閉時瞬間接觸,利用蝶板偏心1、偏心2迅速脫離閥座,降低了密封副的磨損,磨擦力矩小,開啟靈活。偏心錐面3,使閥門在開啟或關閉時蝶板能通過閥座內孔,實現接觸密封。另外,錐形蝶板的旋轉半徑大于密封副接觸位置的旋轉半徑,故蝶板在閥門關閉時將出現越關越緊,能夠實現自鎖,防止蝶板過位。
 
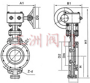
   |   |   外形尺寸
   |   |  
 Dt  |  | 73H-  |  | C.P.R.V系列對夾式彈性金屬硬密封蝶閥  |  
 公稱通徑   | 結構長度 標準值  | 外形尺寸(參考值)  | 連接尺寸(標準值)  | 重量 (kg)  |  H  | Dt373H  | Dt673H  | Dt973H  | PN0.6MPa  | PN1.0MPa  |  毫米  | 英寸  | L  | H1  | A1  | B1  | H2  | A2  | B2  | H3  | A3  | B3  | D1  | Z-d  | D1  | Z-d  |  50  | 2  | 43  | 112  | 350  | 180  | 200  | 625  | 245  | 72  | 530  | 250  | 255  | 110  | 4-14  | 125  | 4-18  | 11  |  65  | 21/2  | 46  | 115  | 370  | 180  | 200  | 625  | 245  | 72  | 530  | 250  | 255  | 130  | 4-14  | 145  | 4-18  | 12  |  80  | 3  | 49  | 120  | 380  | 180  | 200  | 645  | 245  | 72  | 565  | 250  | 255  | 150  | 4-18  | 160  | 8-18  | 14  |  100  | 4  | 56  | 138  | 420  | 180  | 200  | 675  | 355  | 92  | 600  | 250  | 255  | 170  | 4-18  | 180  | 8-18  | 16  |  125  | 5  | 64  | 164  | 460  | 180  | 200  | 715  | 355  | 92  | 640  | 250  | 255  | 200  | 8-18  | 210  | 8-18  | 26  |  150  | 6  | 70  | 175  | 555  | 270  | 280  | 800  | 355  | 92  | 705  | 300  | 315  | 225  | 8-18  | 240  | 8-22  | 28  |  200  | 8  | 71  | 208  | 605  | 270  | 280  | 850  | 250  | 170  | 775  | 300  | 315  | 280  | 8-18  | 295  | 8-22  | 44  |  250  | 10  | 76  | 243  | 680  | 270  | 280  | 925  | 250  | 170  | 945  | 300  | 315  | 335  | 12-18  | 350  | 12-22  | 68  |  300  | 12  | 83  | 283  | 800  | 380  | 420  | 1035  | 450  | 220  | 1070  | 300  | 315  | 395  | 12-22  | 400  | 12-22  | 85  |  350  | 14  | 92  | 310  | 835  | 380  | 420  | 1070  | 450  | 220  | 1140  | 300  | 315  | 445  | 12-22  | 460  | 16-22  | 121  |  400  | 16  | 102  | 340  | 915  | 450  | 470  | 1190  | 450  | 220  | 1210  | 300  | 315  | 495  | 16-22  | 515  | 16-22  | 140  |  450  | 18  | 114  | 380  | 960  | 480  | 490  | 1250  | 650  | 280  | 1335  | 575  | 714  | 550  | 16-22  | 565  | 20-26  | 190  |  500  | 20  | 127  | 410  | 1020  | 480  | 490  | 1290  | 650  | 280  | 1415  | 575  | 714  | 600  | 20-22  | 620  | 20-26  | 260  |  600  | 24  | 154  | 470  | 1225  | 480  | 490  | 1455  | 850  | 380  | 1605  | 656  | 810  | 705  | 20-26  | 725  | 20-30  | 380  |  700  | 28  | 165  | 550  | 1355  | 640  | 660  | 1585  | 850  | 380  | 1844  | 656  | 810  | 810  | 24-26  | 840  | 24-30  | 450  |  800  | 32  | 190  | 640  | 1470  | 640  | 660  | 1700  | 1250  | 380  | 2040  | 656  | 810  | 920  | 24-30  | 950  | 24-33  | 650  |  900  | 36  | 203  | 710  | 1545  | 750  | 860  | 1965  | 1250  | 380  | 2255  | 785  | 863  | 1020  | 24-30  | 1050  | 28-33  | 830  |  1000  | 40  | 216  | 770  | 1795  | 850  | 900  | 2015  | 1250  | 380  | 2380  | 785  | 863  | 1120  | 28-30  | 1160  | 28-36  | 1050  |  1200  | 48  | 254  | 890  | 1965  | 850  | 900  | 2250  | 1250  | 380  | 2640  | 785  | 863  | 1340  | 32-33  | 1380  | 32-39  | 1400  |  
  |  | Dt |  | 73H-  |  | C.P.R.V系列對夾式彈性金屬硬密封蝶閥 |  
 公稱通徑   | 結構長度 標準值  | 外形尺寸(參考值)  | 連接尺寸(標準值)  | 重量 (kg)  |  H  | Dt373H  | Dt673H  | Dt973H  | PN1.6MPa  | PN2.5MPa  |  毫米  | 英寸  | L  | H1  | A1  | B1  | H2  | A2  | B2  | H3  | A3  | B3  | D1  | Z-d  | D1  | Z-d  |  50  | 2  | 43  | 112  | 350  | 180  | 200  | 625  | 245  | 72  | 530  | 250  | 255  | 125  | 4-14  | 125  | 4-18  | 11  |  65  | 21/2  | 46  | 115  | 370  | 180  | 200  | 625  | 245  | 72  | 530  | 250  | 255  | 145  | 4-14  | 145  | 8-18  | 12  |  80  | 3  | 49  | 120  | 380  | 180  | 200  | 645  | 245  | 72  | 565  | 250  | 255  | 160  | 8-18  | 160  | 8-18  | 15  |  100  | 4  | 56  | 138  | 420  | 180  | 200  | 675  | 355  | 92  | 600  | 250  | 255  | 180  | 8-18  | 190  | 8-22  | 17  |  125  | 5  | 64  | 164  | 460  | 180  | 200  | 715  | 355  | 92  | 640  | 250  | 255  | 210  | 8-18  | 220  | 8-26  | 27  |  150  | 6  | 70  | 175  | 555  | 270  | 280  | 800  | 355  | 92  | 705  | 300  | 315  | 240  | 8-22  | 250  | 8-26  | 29  |  200  | 8  | 71  | 208  | 605  | 270  | 280  | 850  | 250  | 170  | 775  | 300  | 315  | 295  | 12-22  | 310  | 12-26  | 45  |  250  | 10  | 76  | 243  | 680  | 270  | 280  | 925  | 250  | 170  | 945  | 300  | 315  | 355  | 12-26  | 370  | 12-30  | 69  |  300  | 12  | 83  | 283  | 825  | 380  | 420  | 1035  | 450  | 220  | 1070  | 300  | 315  | 410  | 12-26  | 430  | 16-30  | 86  |  350  | 14  | 92  | 310  | 900  | 380  | 420  | 1070  | 450  | 220  | 1140  | 300  | 315  | 470  | 16-26  | 490  | 16-33  | 122  |  400  | 16  | 102  | 340  | 980  | 450  | 470  | 1190  | 450  | 220  | 1210  | 300  | 315  | 525  | 16-30  | 550  | 16-36  | 141  |  450  | 18  | 114  | 380  | 1030  | 480  | 490  | 1250  | 650  | 280  | 1335  | 575  | 714  | 585  | 20-30  | 600  | 20-36  | 191  |  500  | 20  | 127  | 410  | 1105  | 480  | 490  | 1290  | 650  | 280  | 1415  | 575  | 714  | 650  | 20-33  | 660  | 20-36  | 260  |  600  | 24  | 154  | 470  | 1310  | 480  | 490  | 1455  | 850  | 380  | 1605  | 656  | 810  | 770  | 20-36  | 770  | 20-39  | 380  |  700  | 28  | 165  | 550  | 1435  | 640  | 660  | 1585  | 850  | 380  | 1844  | 656  | 810  | 840  | 24-36  | 875  | 24-42  | 450  |  800  | 32  | 190  | 640  | 1605  | 640  | 660  | 1700  | 1250  | 380  | 2040  | 656  | 810  | 950  | 24-39  | 990  | 24-48  | 650  |  900  | 36  | 203  | 710  | 1745  | 750  | 860  | 1865  | 1250  | 380  | 2255  | 785  | 863  | 1050  | 28-39  | 1090  | 28-48  | 830  |  1000  | 40  | 216  | 770  | 1885  | 850  | 900  | 2015  | 1250  | 380  | 2380  | 785  | 863  | 1170  | 28-42  | 1210  | 28-56  | 1050  |  1200  | 48  | 254  | 890  | 2105  | 850  | 900  | 2250  | 1250  | 380  | 2640  | 785  | 863  | 1390  | 32-48  | 1420  | 32-56  | 1400  |  
  |  用戶注意:表中H1、H2、H3尺寸均可根據用戶需要加長(長桿蝶閥),若需特殊材料定貨時提出。 注:Dt-代表彈性密封結構 
 | Dt |  | 73H-  | 40C.P.R.V系列對夾式彈性金屬硬密封蝶閥 |  
 公稱通徑   | 結構長度 標準值  | 外形尺寸(參考值)  | 連接尺寸 標準值  |  H  | Dt373H  | Dt673H  | Dt973H  | PN40MPa  |  毫米  | 英寸  | L  | H1  | A1  | B1  | H2  | A2  | B2  | H3  | A3  | B3  | D1  | Z-d  |  50  | 2  | 43  | 112  | 350  | 180  | 200  | 625  | 250  | 170  | 530  | 250  | 255  | 125  | 4-14  |  65  | 21/2  | 46  | 115  | 370  | 270  | 280  | 625  | 250  | 170  | 530  | 250  | 255  | 145  | 8-18  |  80  | 3  | 49  | 120  | 380  | 270  | 280  | 645  | 250  | 170  | 565  | 250  | 255  | 160  | 8-18  |  100  | 4  | 56  | 138  | 420  | 270  | 280  | 675  | 250  | 170  | 600  | 250  | 255  | 190  | 8-22  |  125  | 5  | 64  | 164  | 460  | 380  | 420  | 715  | 450  | 220  | 640  | 250  | 255  | 220  | 8-26  |  150  | 6  | 70  | 175  | 555  | 380  | 420  | 800  | 450  | 220  | 705  | 300  | 315  | 250  | 8-26  |  200  | 8  | 71  | 208  | 605  | 450  | 470  | 850  | 450  | 220  | 775  | 300  | 315  | 320  | 12-30  |  250  | 10  | 76  | 243  | 680  | 450  | 470  | 925  | 450  | 280  | 945  | 300  | 315  | 385  | 12-33  |  300  | 12  | 83  | 283  | 825  | 450  | 470  | 1035  | 650  | 280  | 1070  | 300  | 315  | 450  | 16-33  |  350  | 14  | 92  | 310  | 900  | 480  | 490  | 1070  | 650  | 280  | 1140  | 300  | 315  | 510  | 16-36  |  400  | 16  | 102  | 340  | 980  | 480  | 490  | 1190  | 650  | 280  | 1210  | 300  | 315  | 585  | 16-39  |  450  | 18  | 114  | 380  | 1030  | 640  | 660  |  |  |  | 1335  | 575  | 714  | 610  | 20-39  |  500  | 20  | 127  | 410  | 1105  | 640  | 660  |  |  |  | 1415  | 575  | 714  | 670  | 20-42  |  
  |  注:法蘭標準:GB/T9113.1-2000 GB/T9113.2-2000 GB/T911.5.1-2000 GB/T9115.2-2000 用戶注意:表中H1、H2、H3尺寸均可根據用戶需要加長(長桿蝶閥),若需特殊材料定貨時提出。  |  
  |  
  |  
 ?  |