 
  | 產品名稱: | 高壓球芯截止閥 | 
| 產品型號: | QJH | 
| 產品口徑: | DN6-80 | 
| 產品壓力: | 1.6-50.0MPa | 
| 產品材質: | 鑄鋼、不銹鋼等 | 
| 產品概括: | 生產標準:國家標準GB、機械標準JB、化工標準HG、美標API、ANSI、德標DIN、日本JIS、JPI、英標BS生產。閥體材質:銅、鑄鐵、鑄鋼、碳鋼、WCB、WC6、WC9、20#、25#、鍛鋼、A105、F11、F22、不銹鋼、304、304L、316、316L、鉻鉬鋼、低溫鋼、鈦合金鋼等。工作壓力1.0Mpa-50.0Mpa。工作溫度:-196℃-650℃。連接方式:內螺紋、外螺紋、法蘭、焊接、對焊、承插焊、卡套、卡箍。驅動方式:手動、氣動、液動、電動。 | 
 | ? | 
                      ?                        產品詳細信息 | 
| QJH系列高壓球芯截止閥 |  圖形符號
   型號說明
  ? ① 系列代號Series Code:QJH系列高壓球芯截止閥 ② 壓力等級Pressure Grade:H-32MPa ③ 公稱通徑Nominal Path:6、10、15、20、25、32、40、50、65、80mm ④ 連接形式Joint Model:B-板式、F-法式、NL-內螺紋連接、WL-外螺紋連接
  外形尺寸 
  
 
 型號  | A  | B  | C  | L1  | L2  | L3  | L4  | L5  | L6  | H  | N  | d1  | d2  |  QJH-10B  | 80  | 54  | 42  | 60  | 45  | 11  | 13  | 105  | 33  | 38  | 62  | Ф8.5  | Ф9  |  QJH-15B  | 92  | 58  | 44  | 56  | 52  | 6  | 18  | 147  | 39  | 42  | 77  | Ф8.5  | Ф14  |  QJH-20B  | 108  | 70  | 52  | 70  | 60  | 8.5  | 21.5  | 185  | 45  | 50  | 90  | Ф11  | Ф18  |  QJH-25B  | 125  | 75  | 60  | 80  | 72  | 11  | 20  | 185  | 54.5  | 55  | 99  | Ф11  | Ф24  |  QJH-32B  | 152  | 98  | 71  | 120  | 90  | 19  | 16  | 240  | 69.5  | 75  | 111  | Ф13  | Ф30  |  QJH-40B  | 185  | 120  | 93  | 150  | 110  | 23  | 20  | 240  | 80  | 90  | 129  | Ф17  | Ф38  |  
 
  
 
 型號  | D  | L  | L1  | L2  | H  | F  | E  | N  |  QJH-50F1  | Ф62  | 170  | 30  | 17  | 104  | 118  | 55  | 240  |  QJH-65F1  | Ф77  | 220  | 45  | 22  | 126  | 132  | 67  | ―  |  QJH-80F1  | Ф91  | 240  | 45  | 25  | 139  | 142  | 75  | ―  |  
 
  ?
 內螺紋連接尺寸: 型號  | A  | B  | C  | L  | H×a  | 2-D  |  QJH-06NL  | 13.5  | 27  | 105  | 67  | 33×26  | M16×1.5  |  QJH-10NL  | 16  | 40  | 105  | 76  | 36×32  | M18×1.5  |  QJH-15NL  | 19  | 45  | 147  | 88  | 45×38  | M27×2  |  QJH-20NL  | 25  | 46  | 185  | 100  | 55×48  | M33×2  |  QJH-25NL  | 28.5  | 59  | 185  | 116  | 64×57  | M42×2  |  QJH-32NL  | 37.5  | 74  | 240  | 130  | 84×75  | M48×2  |  QJH-40NL  | 42.5  | 88  | 240  | 140   | 95×85  | M60×2  |  
 
  ?
 外螺紋連接尺寸: 型號  | A  | B  | C  | L  | H×a  | 2-D  |  QJH-06WL  | 13.5  | 27  | 105  | 71  | 33×26  | M16×1.5  |  QJH-10WL  | 16  | 40  | 105  | 86  | 36×32  | M22×1.5  |  QJH-1WNL  | 19  | 45  | 147  | 96  | 45×38  | M30×1.5  |  QJH-20WL  | 25  | 46  | 185  | 112  | 55×48  | M36×2  |  QJH-25WL  | 28.5  | 59  | 185  | 122  | 64×57  | M42×2  |  QJH-32WL  | 37.5  | 74  | 240  | 145  | 84×75  | M52×2  |  QJH-40WL  | 42.5  | 88  | 240  | 163  | 95×85  | M60×2  |  
 
  ?
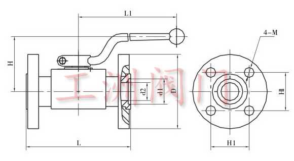
 法蘭式連接尺寸: 型號  | L  | L1  | H  | H1  | D  | d1  | d2  | M  |  QJH-10F  | 103  | 105  | 44  | 36  | Ф68  | Ф22  | Ф10  | M10  |  QJH-15F  | 113  | 147  | 46  | 40  | Ф75  | Ф24  | Ф15  | M10  |  QJH-20F  | 117  | 185  | 48  | 42  | Ф78  | Ф30  | Ф20  | M10  |  QJH-25F  | 133  | 185  | 56  | 56  | Ф100  | Ф35  | Ф23  | M12  |  QJH-32F  | 145  | 240  | 63  | 62  | Ф110  | Ф45  | Ф32  | M12  |  QJH-40F  | 175  | 240  | 74  | 73  | Ф130  | Ф50  | Ф38  | M16  |  
  |  
  |