 
  | 產品名稱: | 高壓球閥 | 
| 產品型號: | CJZQ | 
| 產品口徑: | DN06-25 | 
| 產品壓力: | 1.0-50.0Mpa | 
| 產品材質: | 鑄鋼、不銹鋼等 | 
| 產品概括: | 生產標準:國家標準GB、機械標準JB、化工標準HG、美標API、ANSI、德標DIN、日本JIS、JPI、英標BS生產。閥體材質:銅、鑄鐵、鑄鋼、碳鋼、WCB、WC6、WC9、20#、25#、鍛鋼、A105、F11、F22、不銹鋼、304、304L、316、316L、鉻鉬鋼、低溫鋼、鈦合金鋼等。工作壓力1.0Mpa-50.0Mpa。工作溫度:-196℃-650℃。連接方式:內螺紋、外螺紋、法蘭、焊接、對焊、承插焊、卡套、卡箍。驅動方式:手動、氣動、液動、電動。 | 
 | ? | 
                      ?                        產品詳細信息 | 
| CJZQ系列高壓球閥 |  圖形符號
   技術參數 公稱壓力:31.5MPa 適用介質:液壓油Hydraulic Oil
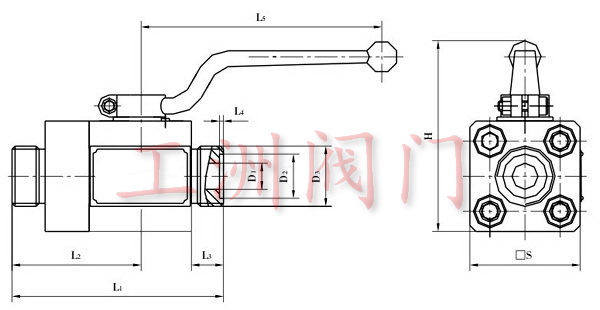
  外形尺寸 
  
 
 型號  | D1  | D2  | D3  | L1  | L2  | L3  | L4  | L5  | H  | □S  |  CJZQ-H10L  | Ф9  | Ф20  | M27×1.5  | 100  | 62  | 14  | 2  | 105  | 86  | □46  |  CJZQ-H15L  | Ф14  | Ф22  | M30×1.5  | 105  | 64  | 16  | 2  | 147  | 99  | □52  |  CJZQ-H20L  | Ф18  | Ф28  | M36×2  | 121  | 74  | 18  | 2.5  | 185  | 108  | □60  |  CJZQ-H25L  | Ф23  | Ф35  | M42×2  | 135  | 80  | 20  | 2.5  | 185  | 118.5  | □70  |  CJZQ-H32L  | Ф30  | Ф40  | M52×2  | 160  | 96  | 22  | 2.5  | 240  | 137  | □84  |  CJZQ-H40L  | Ф38  | Ф45  | M60×2  | 180  | 106  | 24  | 2.5  | 240  | 148  | □96  |  CJZQ-H50L  | Ф48  | Ф55  | M72×2  | 205  | 105  | 26  | 2.5  | 240  | 172  | □120  |  
  |  
  |