BKH、MKH系列高壓球閥
圖形符號
型號說明
?
①產品代號:BKH、MKH系列高壓球閥
②接頭標準:SAE J518C標準
③壓力等級:210、420 bar
④公稱通徑:13、20、25、32、40、50 mm
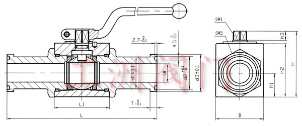
外形尺寸 
尺寸表
簡略型號  | bar  | DN  | LW  | L  | L1  | B  | H  | h1  | h2  | h3  | SW1  | SW2  | T  | d1  | d2  | d3  | 美標O形圈  | 
BKH-SAE-FS-210-13  | 210  | 13  | 13  | 151  | 47  | 35  | 49  | 18  | 38  | 10  | 09  | 30  | 6.8  | 24  | 25.5  | 30.2  | 18.6×3.5  | 
BKH-SAE-FS-420-13  | 420  | 13  | 13  | 151  | 47  | 35  | 49  | 18  | 38  | 10  | 09  | 30  | 7.9  | 24  | 25.5  | 31.8  | 18.6×3.5  | 
BKH-SAE-FS-210-20  | 210  | 20  | 19  | 162  | 60  | 48  | 70  | 25  | 55  | 11  | 12  | 41  | 6.8  | 31.7  | 31.9  | 38.1  | 25×3.5  | 
BKH-SAE-FS-420-20  | 315  | 20  | 19  | 174  | 60  | 48  | 70  | 25  | 55  | 11  | 12  | 41  | 8.9  | 32  | 31.9  | 41.3  | 25×3.5  | 
BKH-SAE-FS-210-25  | 210  | 25  | 25  | 178  | 65  | 57  | 79  | 28.5  | 64  | 11  | 12  | 50  | 8.1  | 38  | 39.8  | 44.4  | 32.9×3.5  | 
BKH-SAE-FS-420-25  | 315  | 25  | 22  | 198  | 65  | 57  | 79  | 28.5  | 64  | 11  | 12  | 50  | 9.6  | 38  | 39.8  | 47.6  | 32.9×3.5  | 
BKH-SAE-FS-210-32  | 210  | 32  | 30  | 191  | 84  | 75  | 101  | 37.5  | 84  | 12  | 14  | 60  | 8.1  | 43  | 44.6  | 50.8  | 37.7×3.5  | 
BKH-SAE-FS-420-32  | 350  | 32  | 27  | 223  | 84  | 75  | 101  | 37.5  | 84  | 12  | 14  | 60  | 10.4  | 44  | 44.6  | 54  | 37.7×3.5  | 
BKH-SAE-FS-210-40  | 210  | 40  | 36  | 231  | 91  | 85  | 112  | 42.5  | 95  | 12  | 14  | 70  | 8.1  | 50  | 54.1  | 60.3  | 47.2×3.5  | 
BKH-SAE-FS-420-40  | 350  | 40  | 32  | 281  | 91  | 85  | 112  | 42.5  | 95  | 12  | 14  | 70  | 12.7  | 51  | 54.1  | 63.5  | 47.2×3.5  | 
BKH-SAE-FS-210-50  | 210  | 50  | 48  | 232  | 100  | 104  | 131  | 62  | 112.5  | 12  | 14  | 90  | 9.6  | 62  | 63.6  | 71.4  | 56.7×3.5  | 
BKH-SAE-FS-420-50  | 350  | 50  | 45  | 316  | 100  | 104  | 131  | 62  | 112.5  | 12  | 14  | 90  | 12.7  | 67  | 63.6  | 79.4  | 56.7×3.5  |