焦爐專用球閥特點:?
該系列球閥特別適用于各焦化廠焦爐氨水、噴射循環系統高低壓轉換時使用。
一、閥門的連接尺寸與原三通球閥相同,更換方便。
二、特制的增強聚四氟乙烯封圈,其耐磨強度大大提高,顯著提高密封圈的使用壽命。
三、獨特的內部結構,不僅大大降低了生產成本,而且使加工與維修更加簡單化。
四、帶倒密封結構的下裝式閥桿,不僅防止了閥桿脫出,而且閥桿部位的密封更加可靠。
五、外型結構緊湊,獨特三塊式設計使閥門外觀更完美。
產品型號  | 零件名稱  | 零件材料  | 
Q44M-40DN25?  | 閥體、閥蓋  | WCB  | 
球體  | 1Cr18Ni9Ti  | |
閥桿  | 2Cr13  | |
密封圈  | 增強聚四氟乙烯 RPTFE  | |
填料  | V型聚四氟乙烯  | 
焦爐專用球閥型號規格:
產品型號  | 零件名稱  | 零件材料  | 
Q44M-40DN25?  | 閥體、閥蓋  | WCB  | 
球體  | 1Cr18Ni9Ti  | |
閥桿  | 2Cr13  | |
密封圈  | 增強聚四氟乙烯  | |
填料  | V型聚四氟乙烯  | 
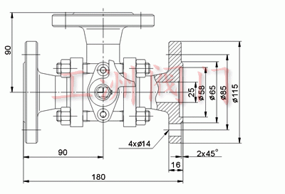
焦爐專用球閥主要連接尺寸:
公稱壓力 PN(MPa)?  | |||
| 試驗壓力(Mpa) | |||
殼體  | 高壓液密封閉  | 低壓氣密封  | |
4.0  | 6.0  | 4.4  | 0.6  | 
適用溫度?  | ≤150℃  | ||
氨水等  | |||