|

一、產品概述: ???? ZKRQR系列電動O形三通球閥由電動執行機構和三通球閥組成。改變球芯與管道的相對位置,可以對三條管路流體實現不同的組合控制。 該產品以220V單相交流電為力源,接受控制系統 (或操作器) 來的 220V開關信號,并通過單相電源切換驅動可逆單相齒輪減速電機,按規定的組合要求,使球閥實現對管路流體的換向作用。 T型三通可使三路正交的管道互相連通,即起分流(合流)作用,也可使其中兩條管道連通而切斷另一路管道。 L型三通流路只能連通互相正交的兩條管道或切換方向。 
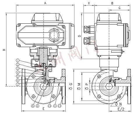
二、閥門特性: 公稱壓力:PN1.0、1.6、2.5、4.0Mpa、ANSI150、300 公稱通徑:DN20~300mm 工作溫度:硬密封:-40~300℃? 軟密封:-40~180℃ 工作電壓:220V、380V 閥座形式:不銹鋼可動硬密封、PTFE軟密封。 主要材質:閥體 (1)WCB? (2)304? (3)316? (4)316L ????????? 閥芯 (1)304? (2)316? (3)316L 流體范圍: 空氣、水、氣體、石油和石化產品、腐蝕性介質 表面處理: 拋光 | 閥門材料 | | 1) 軸 Shaft | 不銹鋼 ANSI316 | 1.4401 | UNIX5CrNiMo 17 12 | | 2) 防松螺母 Lock nut | 不銹鋼 ANSI304 | 1.4301 | UNIX5CrNi 18 10 | | 3) 壓緊環型螺母 Gland nut ring | 不銹鋼 ANSI304 | 1.4301 | UNIX5CrNi 18 10 | | 4) 頂部密封環 至p tight ring | 聚四氯乙烯 P.T.F.E. | ? | ? | | 5) O環 O-Ring | 氟橡膠 VITON | ? | ? | | 6) 墊圈 Washer | 聚四氯乙烯 P.T.F.E. | ? | ? | | 7) 密封圈 Seals | 聚四氯乙烯 P.T.F.E. | ? | ? | | 8) 閥體 Body | 不銹鋼 ANSI316 | 1.4408 | ? | | 9) 球閥 Ball | 不銹鋼 ANSI316 | 1.4401 | UNIX5CrNiMo 17 12 | | 10) 頂部密封 End sealings | 聚四氯乙烯 P.T.F.E. | ? | ? | | 11) 端部 End | 不銹鋼 ANSI316 | 1.4408 | ? | | 12) 法蘭 Flange | 不銹鋼 ANSI316 | 1.4408 | ? |
? | 尺寸表 | | DN | mm. | 10 | 15 | 20 | 25 | 32 | 40 | 50 | 65 | | 內螺紋尺寸 | GAS | 3/8" | 1/2" | 3/4" | 1" | 1"1/4 | 1"1/2 | 2" | 2"1/2 | | 通徑? | mm. | 10 | 15 | 20 | 25 | 32 | 40 | 50 | 65 | | P. 閥門 | PN40 | PN40 | PN40 | PN40 | PN40 | PN40 | PN25 | PN25 | | A | mm. | 207,5 | 207,5 | 207,5 | 207,5 | 256,5 | 256,5 | 256,5 | 256,5 | | B | mm. | 122,5 | 122,5 | 122,5 | 122,5 | 156,5 | 156,5 | 156,5 | 156,5 | | C | mm. | 68 | 68 | 68 | 68 | 94 | 94 | 94 | 94 | | D | mm. | 163,5 | 163,5 | 163,5 | 163,5 | 185 | 185 | 185 | 185 | | X | mm. | 44 | 44 | 44 | 44 | 44 | 44 | 44 | 44 | | E | mm. | 120 | 130 | 140 | 150 | 180 | 200 | 220 | 240 | | ΦG | mm. | 90 | 95 | 105 | 115 | 140 | 1450 | 165 | 185 | | ΦM | mm. | 60 | 65 | 75 | 85 | 100 | 110 | 125 | 145 | | ΦN | mm. | 14/4 | 14/4 | 14/4 | 14/4 | 18/4 | 18/4 | 18/4 | 18/4 | | H | mm. | 249,5 | 252,5 | 260 | 264,5 | 304,5 | 312 | 275,5 | 284,5 | | T. of cycle 50/60 Hz | s. | 15 / 12,5 | 15 / 12,5 | 15 / 12,5 | 15 / 12,5 | 15 / 12,5 | 15 / 12,5 | 15 / 12,5 | 15 / 12,5 | | 重量 | Kg. | 8,1 | 8,6 | 10,1 | 11,5 | 20,5 | 23,7 | 28 | 32,6 |
訂貨須知: 一、①ZKRQ系列電動O形三通球閥產品名稱與型號②ZKRQ系列電動O形三通球閥口徑③ZKRQ系列電動O形三通球閥是否帶附件二、若已經由設計單位選定公司的ZKRQ系列電動O形三通球閥型號,請按ZKRQ系列電動O形三通球閥號 三、當使用的場合非常重要或環境比較復雜時,請您盡量提供設計圖紙和詳細參數,
? ? ? 相關產品: 不銹鋼電動球閥 電動超薄型球閥 電動四通球閥 電動固定式球閥 不銹鋼電動四通換向球閥 不銹鋼三片式電動球閥 電動襯氟O型球閥 電動O型切斷球閥 電動高壓螺紋球閥 Q947F固定式電動球閥 電動微型球閥 電動塑料球閥 上裝式電動球閥 二位三通雙動自保持球閥 |
|