|

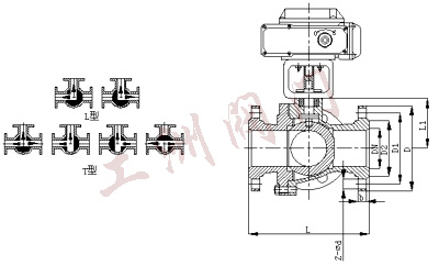
一、產品[電動三通調節球閥]的詳細資料: 產品型號:ZAJQ型 產品名稱:電動三通調節球閥 產品特點:ZAJQ型智能電動球閥是由DTR系列智能式執行機構和三通球閥組成,是一種旋轉類切斷調節閥門,具有關閉嚴密,結構緊湊,重量輕,維修方便等優點。廣泛用于氣體、液體、蒸汽、油品等腐蝕性介質的管道自動化控制中。 兩閥座密封三通球閥具有結構緊湊、外型美觀、密封性能好。它能實現對管道中介質流向的切換。也能使相互垂直的兩個通道連通或關閉。 四閥座密封三通球閥具有造型美觀、結構緊湊合理,它不僅可實現介質流向的切換,也可使三個通道相互連通,現時也可關閉任一通道,使另外兩個通道連通,靈活控制管路中介質的合流或分流。 二、控制模塊主要技術指標: 控制精度:0.1%~3.1%可調。 接受控制信號:0~10mA.DC、 4~20mA.DC或1~5V.DC 按鍵選擇:1、輸入信號中斷時:“中斷”模態(開、停、關)2、正逆動作選擇3、控制精度選擇。 電動裝置全開、全閉位置自動定位標定,方便準確。 按輸入信號和電動裝置位置進行智能步距調整自動定位,抑制振蕩精度高。 輸出電動裝置位置信號:4~20mA.DC對應電動裝置全閉、全開。 三、閥內組件: 閥芯形式: O型閥芯 流量特性: 快開型 材 料: 1Cr18Ni9Ti 0Cr17Ni12Mo2襯聚四氟乙烯 密封面材料:聚四氟乙烯、PPL、硬密封 四、執行機構: 類型:可選PSQ、3810R、DTR角行程執行機構。防爆型選3810系列。 技術參數和性能:請參閱對應的執行機構和閥門定位器的說明書。 
五、ZAJQ型電動三通調節球閥主要外形尺寸: 公稱壓力或壓力級 | 公稱通徑 | 尺寸(mm) | mm
| in | L
| L1
| D
| D1
| D2
| b
| z-Φd | PN1.6MPa | 15
| | 130
| 65
| 95
| 65
| 45
| 14
| 4-14 | 20
| | 150
| 75
| 105
| 75
| 55/58
| 14/16
| 4-14 | 25
| | 160
| 80
| 115
| 85
| 65/68
| 14/16
| 4-14 | 32
| | 180
| 90
| 135/140
| 100
| 78
| 16
| 4-18 | 40
| | 200
| 100
| 145/150
| 110
| 85/88
| 16
| 4-18 | 50
| | 230
| 115
| 160/165
| 125
| 100/102
| 16/18
| 4-18 | 65
| | 290
| 145
| 180/185
| 145
| 120/122
| 18
| 4-18 | 80
| | 310
| 155
| 195/200
| 160
| 135/138
| 20
| 4-18 | 100
| | 350
| 175
| 215/220
| 180
| 155/158
| 20
| 4-18 | 125
| | 400
| 200
| 245/250
| 210
| 185/188
| 22
| 4-18 | 150
| | 480
| 240
| 280/285
| 240
| 210/212
| 24/22
| 8-23/8-22 | PN2.5MPa | 15
| | 130
| 65
| 95
| 65
| 45
| 16
| 4-14 | 20
| | 150
| 75
| 105
| 75
| 55/58
| 16
| 4-14 | 25
| | 160
| 80
| 115
| 85
| 65/68
| 16
| 4-14 | 32
| | 180 | 90
| 135/140
| 100
| 78
| 18
| 4-18 | 40
| | 200
| 100
| 145/150
| 110
| 85/88
| 18
| 4-18 | 50 | | 230
| 115
| 160/165
| 125 | 100/102
| 20
| 4-18 | 65
| | 290
| 145
| 180/185
| 145
| 120/122
| 22
| 8-18 | 80
| | 310
| 155
| 195/200
| 160
| 135/138
| 22/24
| 8-18 | 100
| | 350
| 175
| 230/235 | 190
| 160/162
| 24
| 8-23/8-22 | 125
| | 400
| 200
| 270
| 220
| 188
| 28/26
| 8-25/8-26 | 150
| | 480
| 240
| 300
| 250
| 218
| 30/28
| 8-25/8-26 | PN4.0MPa | 15
| | 130
| 65
| 95
| 65
| 45
| 16
| 4-14 | 20
| | 150
| 75
| 105
| 75
| 55/58
| 16
| 4-14 | 25
| | 160
| 80
| 115
| 85
| 65/68
| 16
| 4-14 | 32
| | 180
| 90
| 135/140
| 100
| 78
| 18
| 4-18 | 40
| | 200
| 100 | 145/150
| 110
| 85/88
| 18
| 4-18 | 50
| | 230
| 115
| 160/165
| 125
| 100/102
| 20
| 4-18 | 65
| | 290
| 145
| 180/185
| 145
| 120/122
| 22
| 8-18 | 80
| | 310
| 155
| 195/200
| 160
| 135/138
| 22
| 8-18 | 100
| | 350
| 175
| 230/235
| 190
| 160/162
| 24
| 8-23/8-22 | 125 | | 400
| 200
| 270
| 220
| 188
| 28
| 8-25/8-26 | 150
| | 480 | 240
| 300
| 250 | 218
| 30
| 8-25/8-26 | Class150PN2.0MPa | 15
| 1/2 | 130
| 65
| 89
| 60.5
| 35
| -
| 4-15 | 20
| 3/4 | 150
| 75
| 98
| 70
| 43
| -
| 4-15 | 25
| 1 | 160
| 80
| 108/110 | 79.5
| 51
| 11.5
| 4-15/4-16 | 32
| 11/4 | 180
| 90
| 117/120
| 89
| 64 | 13.0 | 4-15/4-16 | 40
| 11/2 | 200
| 100
| 127/130
| 98.5
| 73
| 14.5
| 4-15/4-16 | 50
| 2 | 230
| 115
| 152/150
| 120.5
| 92
| 16.0
| 4-19/4-20 | 65
| 21/2 | 290
| 145
| 178/180
| 139.5
| 105
| 17.5
| 4-19/4-20 | 80
| 3 | 310
| 155 | 190
| 152.5
| 127
| 19.5
| 4-19/4-20 | 100
| 4 | 350
| 175
| 229/230
| 190.5
| 157
| 24.0
| 8-19/8-20 | 125
| 5 | 400
| 200
| 254/255
| 216.0
| 186
| 24.0
| 8-22 | 150 | 6
| 480
| 240
| 279/280
| 241.5
| 216
| 25.5
| 8-22 | JIS10K | 15
| | 130
| 65
| 95
| 70
| 52
| 12
| 4-15 | 20
| | 150
| 75
| 100
| 75
| 58
| 14
| 4-15 | 25
| | 160
| 80
| 125
| 90
| 70
| 14
| 4-19 | 32
| | 180
| 90
| 135
| 100
| 80
| 16
| 4-19 | 40
| | 200
| 100
| 140
| 105
| 85
| 16
| 4-19 | 50
| | 230
| 115
| 155
| 120
| 100
| 16
| 4-19 | 65
| | 290
| 145
| 175
| 140
| 120
| 18
| 4-19 | 80
| | 310
| 155
| 185
| 150
| 130
| 18
| 8-19 | 100
| | 350
| 175
| 210
| 175
| 155
| 18
| 8-19 | 125 | | 400 | 200 | 250 | 210 | 185 | 20 | 8-23 | 150 | | 480 | 240 | 280 | 240 | 215 | 22 | 8-23 |
注:1、表中以分數表示者,分子為JB/T74~90系列2尺寸(等同于原機標JB74~90-59的尺寸),分母為JB/T74~90系列1、GB9112~9131(PN1.6、2.5、4.0Mpa)及HGJ44~76尺寸。 2、表中以分數表示者,分子為ANSI B16.5尺寸,分母為GB9112~9131、SH3406尺寸。 訂貨須知: 一、①ZAJQ型電動三通調節球閥產品名稱與型號②ZAJQ型電動三通調節球閥口徑③ZAJQ型電動三通調節球閥是否帶附件二、若已經由設計單位選定公司的ZAJQ型電動三通調節球閥型號,請按ZAJQ型電動三通調節球閥型號 三、當使用的場合非常重要或環境比較復雜時,請您盡量提供設計圖紙和詳細參數,
? ? 相關產品: ZAJD型電動調節碟閥 精小型電子式調節閥 ZDSJ電子式角型調節閥 電子式電動調節閥 電子式三通電動調節閥 電子式電動高溫調節閥 ZDSF電子式三通調節閥 |
|