| 
 
 
 一、產品說明:  
 二、產品概述:
     上海引進能夠國外先進技術的基礎上,采用精密的J形彈性密封圈和三偏心多層次金屬硬密封結構,被廣泛用于介質溫度≤425℃的治金 、電力、石油化工、以及給排水和市政建設等工業管道上,作調節流量和載斷流體使用。該閥采用三偏心結構,閥座與碟板密封面均采用不同硬度和不銹鋼制作,具有良好的耐腐蝕性,使用壽命長,本閥軍郵雙向密封功能,產品符合國家GB/T13927-92閥門壓力試驗標準。  三、產品特點:
  1、本閥采用三偏心密封結構,閥座與蝶板幾乎無磨損,具有越觀越緊的密封功能。 2、密封圈選用不銹鋼制作,具有金屬硬密封和彈性密封的雙重優點,無論在低溫和高溫的情況下,均具有優良的密封性能,具有耐腐蝕,使用壽命長等特點。 3、碟板密封面采用堆焊鈷基硬質合金,密封面耐磨損,使用壽命長. 4、大規格蝶板采用絎架結構,強度高,過流面積大,流阻小。 5、本閥具有雙向密封功能,安裝時不受介質流向的限制,也不受空間位置的影響,可在任何方向安裝。 6、驅動裝置可以多工位(旋轉90°或180°)安裝,便于用戶使用。
 四、主要技術參數: 公稱通經DN(mm)  | 50~2000  |  公稱藥理PN(MPa)  | 0.6  | 1.0  | 1.6  | 2.5  |  密封試驗(MPa)  | 0.66  | 1.1  | 1.76  | 2.75  |  強度試驗(MPa)  | 0.9  | 1.5  | 2.4  | 3.75  |  適用溫度  | 碳鋼:-29℃~425℃ 不銹鋼:-40℃~650℃  |  適用介質  | 水、空氣、天然氣、油品及弱腐蝕性流體  |  泄漏率  | 符合GB/T13927-92標準  |  驅動方式  | 蝸輪傳動、電動、氣動、液動  |  
 五、主要零部件材料: 零件名稱  | 材料  |  閥體  | WCB、合金鋼、不銹鋼、QT450-10  |  蝶板  | WCB、合金鋼、不銹鋼、QT450-10  |  閥軸  | 2Cr13不銹鋼、合金鋼  |  密封圈  | 不銹鋼圈  |  填料  | 柔性石墨  |  
 六、采用標準: 制造標準  | JB/T 8527-97  |  法蘭標準  | GB9113-2000  |  結構長度標準  | GB12221-89  |  檢驗標準  | GB/T 13927-92  |  
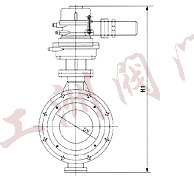
 七、D973H-10/16/25/電動對夾式硬密封蝶閥主要外形連接尺寸(單位:mm): 公稱通經(DN)  | 主要尺寸  | 對夾式尺寸和螺栓規格  |  1.0MPa  | 1.6MPa  | 2.5MPa  |  L  | H  | H1  | D1  | 4-Ф-M  | D1  | 4-Ф-M  | D1  | 4-Ф-M  |  50  | 43  | 530  | 112  | 125  | Ф18  | 125  | Ф18  | 125  | Ф18  |  65  | 46  | 530  | 115  | 145  | Ф18  | 145  | Ф18  | 145  | Ф18  |  80  | 49  | 565  | 120  | 160  | Ф18  | 160  | Ф18  | 160  | Ф18  |  100  | 56  | 600  | 138  | 180  | Ф18  | 180  | Ф18  | 190  | Ф23  |  125  | 64  | 640  | 164  | 210  | Ф18  | 210  | Ф18  | 220  | Ф27  |  150  | 70  | 705  | 175  | 240  | Ф23  | 240  | Ф23  | 250  | Ф27  |  200  | 71  | 775  | 208  | 295  | M20  | 295  | M20  | 310  | M24  |  250  | 76  | 945  | 243  | 350  | M20  | 355  | M24  | 370  | M27  |  300  | 83  | 1070  | 283  | 400  | M20  | 410  | M24  | 430  | M27  |  350  | 92  | 1140  | 310  | 460  | M20  | 470  | M24  | 490  | M30  |  400  | 102  | 1210  | 340  | 515  | M24  | 525  | M27  | 550  | M33  |  450  | 114  | 1335  | 380  | 565  | M24  | 585  | M27  | 600  | M33  |  500  | 127  | 1415  | 410  | 620  | M24  | 650  | M30  | 660  | M33  |  600  | 154  | 1605  | 470  | 725  | M27  | 770  | M33  | 770  | M36  |  700  | 165  | 1844  | 550  | 840  | M27  | 840  | M33  | 875  | M39  |  800  | 190  | 2040  | 640  | 950  | M30  | 950  | M36  | 990  | M45  |  900  | 203  | 2255  | 710  | 1050  | M30  | 1050  | M36  | 1090  | M45  |  1000  | 216  | 2380  | 770  | 1160  | M33  | 1170  | M39  | 1210  | M52  |  1200  | 254  | 2640  | 890  | 1380  | M36  | 1390  | M45  | 1420   | M52  |  
 訂貨須知: 一、①硬密封電動蝶閥產品名稱與型號②硬密封電動蝶閥口徑③硬密封電動蝶閥是否帶附件二、若已經由設計單位選定公司的硬密封電動蝶閥型號,請按硬密封電動蝶閥型號 三、當使用的場合非常重要或環境比較復雜時,請您盡量提供設計圖紙和詳細參數,
  ? ? 相關產品: 電動伸縮蝶閥 > 電動二通球閥 電動法蘭通風蝶閥 電動法蘭式大口徑蝶閥 D971X電動對夾式軟密封蝶閥  |  
  |