| 
 
 
 一、產品[旋塞閥]的詳細資料: 產品名稱:三通法蘭式旋塞閥 產品特點:X44W-1.0P R、X44W-1.0C三通法蘭式旋塞閥,三通法蘭式旋塞閥  
 二、主要性能規范: 型號   | 公稱壓力  PN(MPa)   | 試驗壓力PS(MPa)   | 適用介質   | 工作溫度  (℃)   |  殼 體   | 密 封 (水)   |  X44W-1.0P  | 1.0  | 1.5  | 1.1  | 硝酸類   | ≤250   |  X44W-1.0R  | 1.0  | 1.5  | 1.1  | 醋酸類   | ≤250   |  X44W-1.0C  | 1.0  | 1.5  | 1.1  | 煤氣、油品   | ≤200   |  
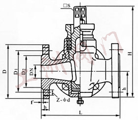
 三、X44W三通法蘭式旋塞閥主要尺寸: 公稱壓力PN(MPa)   | 公稱通徑DN(mm)  | 尺 寸 (mm)  |  L  | D  | D1  | D2  | Z-¢d   | □S   | h  | H  |  1.0  | 15  | 145  | 95  | 65  | 45  | 4-¢14  | 14  | 26  | 99  |  20  | 145  | 105  | 75  | 55  | 4-¢14  | 14  | 34  | 124  |  25  | 145  | 115  | 85  | 56  | 4-¢14  | 17  | 38  | 133  |  32  | 165  | 135  | 100  | 78  | 4-¢18  | 19  | 45  | 152  |  40  | 190  | 145  | 110  | 85  | 4-¢18  | 22  | 55  | 212  |  50  | 200  | 160  | 125  | 100  | 4-¢18  | 27  | 74  | 260  |  65  | 230  | 180  | 145  | 120  | 4-¢18  | 32  | 82  | 295  |  80  | 260  | 195  | 160  | 135  | 4-¢18  | 36  | 95  | 327  |  100  | 300  | 215  | 180  | 155  | 8-¢23  | 46  | 135  | 425  |  125  | 350  | 245  | 210  | 185  | 8-¢23  | 50  | 154  | 482  |  150  | 400  | 280  | 240  | 210  | 8-¢23  | 55  | 172  | 512  |  200  | 480  | 335  | 295  | 265  | 8-¢23  | 75  | 195  | 605  |  250  | 530  | 390  | 350  | 320  | 8-¢23  | 85  | 230  | 660  |  300  | 610  | 440  | 400  | 368  | 8-¢23  | 100  | 263  | 760  |  
 四、主要零件材料: 零件名稱   | 閥 體   | 塞 子   | 填料壓蓋   | 填 料   |  X44W-1.0P  | 鉻鎳鈦不銹鋼   | 鉻鎳鈦不銹鋼   | 鉻鎳鈦不銹鋼   | 柔性石墨  油浸石棉盤根   |  X44T-1.0R  | 鉻鎳鉬鈦不銹鋼   | 鉻鎳鉬鈦不銹鋼   | 鉻鎳鉬鈦不銹鋼   |  X44W-1.0C  | 鑄 鋼   | 鑄 鋼   | 鑄 鋼   |  
 訂貨須知: 一、①X44W三通法蘭式旋塞閥產品名稱與型號②X44W三通法蘭式旋塞閥口徑③X44W三通法蘭式旋塞閥是否帶附件二、若已經由設計單位選定公司的X44W三通法蘭式旋塞閥型號,請按X44W三通法蘭式旋塞閥型號 三、當使用的場合非常重要或環境比較復雜時,請您盡量提供設計圖紙和詳細參數,
  ? ? 相關產品: 三通內螺紋旋塞閥 不銹鋼絲口旋塞閥 美標旋塞閥 卡套式旋塞閥 法蘭銅心旋塞閥 不銹鋼法蘭式旋塞閥 二通法蘭式黃銅旋塞閥 法蘭三通旋塞閥 旋塞閥 襯膠旋塞閥 三通內螺紋全銅旋塞閥 壓力表三通旋塞閥 鑄鐵保溫旋塞閥 BX43W二通保溫旋塞閥 BX44W三通保溫旋塞閥 X47油密封旋塞閥  |  
  |