|

一、產品結構特點: 1.上裝式結構。對裝在管路上的閥門可直接在管路上檢查與維修,減少停車時間提高效益。 2.使用壽命長。中法蘭選用抗張、抗壓的金屬墊片增強抗溫,耐腐蝕性能有效延長使用壽命。 3.防止誤操作。開關帶鎖定裝置有效防止誤操作,確保閥門處于正確位置。 
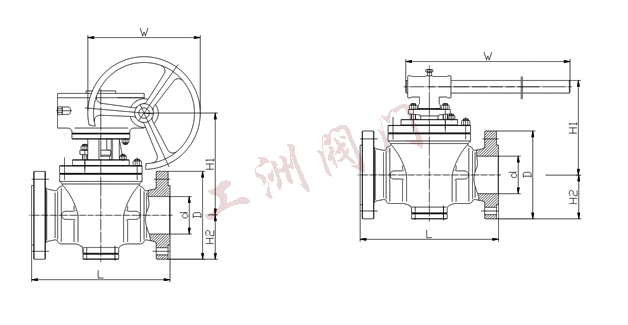
二、上裝式電動球閥主要外型及連接尺寸表Main Types and Connecting Dimension: Size | G | L | H1 | H2 | W | Weight | in | mm | mm | mm | mm | mm | kg | 2 | 51 | 292 | 170 | 76 | 285 | 46 | 3 | 76 | 356 | 21 | 95 | 285 | 83 | 4 | 102 | 432 | 250 | 115 | 400 | 156 | 6 | 152 | 559 | 265 | 140 | *400 | 256 | 8 | 203 | 660 | 355 | 172 | *400 | 453 | 10? | 254 | 787 | 385 | 203 | *600 | 622 | 12 | 305 | 838 | 400 | 242 | *600 | 747 | 14 | 337 | 889 | 450 | 267 | *600 | 959 | 16 | 387 | 991 | 510 | 299 | *600 | 1220 | 18 | 438 | 1092 | 565 | 318 | *600 | 1640 | 20 | 489 | 1194 | 620 | 349 | *600 | 2118 | 24 | 591 | 1397 | 680 | 407 | *700 | 2950 |
Size | G | L | H1 | H2 | W | Weight | mm | mm | mm | mm | mm | mm | kg | 2 | 51 | 292 | 170 | 83 | 285 | 49 | 3 | 76 | 356 | 21 | 105 | 285 | 87 | 4 | 102 | 432 | 250 | 127 | 400 | 164 | 6 | 152 | 559 | 265 | 159 | *400 | 272 | 8 | 203 | 660 | 355 | 191 | *500 | 479 | 10 | 254 | 787 | 385 | 777 | *600 | 657 | 12 | 305 | 838 | 400 | 261 | *600 | 783 | 14 | 337 | 889 | 450 | 292 | *600 | 1007 | 16 | 387 | 991 | 510 | 324 | *600 | 1281 | 18 | 438 | 1092 | 565 | 256 | *700 | 1722 | 20 | 489 | 1194 | 620 | 388 | *700 | 9994 | 24 | 591 | 1397 | 680 | 457 | *760 | 3100? |
訂貨須知: 一、①上裝式電動球閥產品名稱與型號②上裝式電動球閥口徑③上裝式電動球閥是否帶附件二、若已經由設計單位選定公司的上裝式電動球閥型號,請按上裝式電動球閥號 三、當使用的場合非常重要或環境比較復雜時,請您盡量提供設計圖紙和詳細參數,
? ? ? 相關產品: 不銹鋼電動球閥 電動超薄型球閥 電動四通球閥 電動固定式球閥 不銹鋼電動四通換向球閥 電動O型切斷球閥 電動高壓螺紋球閥 Q947F固定式電動球閥 電動微型球閥 電動塑料球閥 二位三通雙動自保持球閥 |
|