| 
 
 
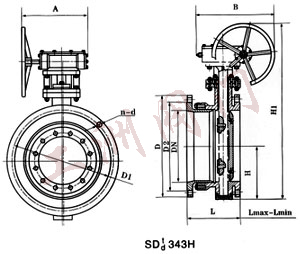
 一、產品[蝸輪傳動法蘭式]的詳細資料: 產品型號:SDtd343H/F/X 產品名稱:蝸輪傳動法蘭式 產品特點:蝸輪傳動法蘭式伸縮蝶閥,蝸輪傳動蝶閥,法蘭式伸縮蝶閥  
 二、伸縮蝶閥SDtd343H/F/X-6/10/16系列連接尺寸: 公稱通徑   | 外形尺寸(參考值)   | 法蘭尺寸和螺栓孔尺寸(標準值)   |  H  | H1  | 設計最大長度   | 設計最小長度   | 設計長度   | A  | B  | 0.6MPa  | 1.0MPa  | 1.6MPa  |  毫米   | 英寸   | D  | D1  | D2  | n-d  | D  | D1  | D2  | n-d  | D  | D1  | D2  | n-d  |  50  | 2  | 80  | 309  | 164  | 138  | 151  | 180  | 200  | 140  | 110  | 88  | 4-14  | 165  | 125  | 99  | 4-18  | 165  | 125  | 99  | 4-18  |  65  | 2 1/2  | 95  | 337  | 190  | 154  | 172  | 180  | 200  | 160  | 130  | 108  | 4-14  | 185  | 145  | 118  | 4-18  | 185  | 145  | 118  | 4-18  |  80  | 3  | 98  | 347  | 195  | 163  | 177  | 180  | 200  | 190  | 150  | 124  | 4-18  | 200  | 160  | 132  | 8-18  | 200  | 160  | 132  | 8-18  |  100  | 4  | 114  | 373  | 227  | 184  | 206  | 180  | 200  | 210  | 170  | 144  | 4-18  | 220  | 180  | 156  | 8-18  | 220  | 180  | 156  | 8-18  |  125  | 5  | 128  | 405  | 254  | 201  | 215  | 180  | 200  | 240  | 200  | 174  | 8-18  | 250  | 210  | 184  | 8-18  | 250  | 210  | 184  | 8-18  |  150  | 6  | 139  | 440  | 240  | 195  | 225  | 270  | 280  | 265  | 225  | 199  | 8-18  | 285  | 240  | 211  | 8-22  | 285  | 240  | 211  | 8-22  |  200  | 8  | 174  | 612  | 265  | 215  | 245  | 400  | 425  | 320  | 280  | 254  | 8-18  | 340  | 295  | 266  | 8-22  | 340  | 295  | 266  | 12-22  |  250  | 10  | 215  | 693  | 295  | 235  | 265  | 400  | 425  | 375  | 335  | 309  | 12-18  | 395  | 350  | 319  | 12-22  | 405  | 355  | 319  | 12-26  |  300  | 12  | 245  | 747  | 308  | 254  | 282  | 450  | 560  | 440  | 395  | 363  | 12-22  | 445  | 400  | 370  | 12-22  | 460  | 410  | 370  | 12-26  |  350  | 14  | 270  | 802  | 325  | 271  | 300  | 450  | 560  | 490  | 445  | 413  | 12-22  | 505  | 460  | 429  | 16-22  | 520  | 470  | 429  | 16-26  |  400  | 16  | 305  | 991  | 345  | 283  | 314  | 535  | 580  | 540  | 495  | 463  | 16-22  | 565  | 515  | 480  | 16-26  | 580  | 525  | 480  | 16-30  |  450  | 18  | 325  | 1037  | 370  | 314  | 340  | 535  | 580  | 595  | 550  | 518  | 16-22  | 615  | 565  | 530  | 20-26  | 640  | 585  | 548  | 20-30  |  500  | 20  | 360  | 1127  | 377  | 316  | 346  | 535  | 586  | 645  | 600  | 568  | 20-22  | 670  | 620  | 582  | 20-26  | 715  | 650  | 609  | 20-33  |  600  | 24  | 445  | 1377  | 446  | 388  | 417  | 570  | 660  | 755  | 705  | 667  | 20-26  | 780  | 725  | 682  | 20-30  | 840  | 770  | 720  | 20-36  |  700  | 28  | 505  | 1496  | 445  | 395  | 425  | 750  | 550  | 860  | 810  | 772  | 24-26  | 895  | 840  | 794  | 24-30  | 910  | 840  | 794  | 24-36  |  800  | 32  | 560  | 1584  | 479  | 425  | 455  | 750  | 550  | 975  | 920  | 878  | 24-30  | 1015  | 950  | 901  | 24-33  | 1025  | 950  | 901  | 24-39  |  900  | 36  | 630  | 1676  | 515  | 455  | 485  | 750  | 550  | 1075  | 1020  | 978  | 24-30  | 1115  | 1050  | 1001  | 28-33  | 1125  | 1050  | 1001  | 28-39  |  1000  | 40  | 680  | 1760  | 525  | 465  | 495  | 900  | 750  | 1175  | 1120  | 1078  | 28-30  | 1230  | 1160  | 1112  | 28-36  | 1255  | 1170  | 1112  | 28-42  |  1200  | 48  | 795  | 2018  | 574  | 512  | 542  | 1000  | 925  | 1405  | 1340  | 1295  | 32-33  | 1455  | 1380  | 1328  | 32-39  | 1485  | 1390  | 1328  | 32-48  |  1400  | 56  | 900  | 2363  | 599  | 547  | 572  | 1000  | 925  | 1630  | 1560  | 1510  | 36-36  | 1675  | 1530  | 1530  | 36-42  | 1685  | 1590  | 1530  | 36-48  |  1600  | 64  | 1100  | 2723 | 640  | 589  | 615  | 1000  | 925  | 1830  | 1760  | 1710  | 40-36  | 1915  | 1820  | 1750  | 40-48  | 1930  | 1820  | 1750  | 40-56  |  1800  | 72  | 1124  | 2844  | 725  | 670  | 695  | 1100  | 980  | 2045  | 1970  | 1718  | 44-39  | 2115  | 2020  | 1950  | 44-48  | 2130  | 2020  | 1950  | 44-56  |  2000  | 80  | 1292  | 3127  | 764  | 680  | 722  | 1100  | 980  | 2265  | 2180  | 2125  | 48-42  | 2325  | 2230  | 2150  | 48-48  | 2345  | 2230  | 2150  | 48-62  |  
 訂貨須知: 一、①伸縮蝶閥產品名稱與型號②伸縮蝶閥口徑③伸縮蝶閥是否帶附件二、若已經由設計單位選定公司的伸縮蝶閥型號,請按伸縮蝶閥型號 三、當使用的場合非常重要或環境比較復雜時,請您盡量提供設計圖紙和詳細參數,
  ? 相關產品: 長桿蝶閥 聚四氟密封蝶閥 金屬硬密封蝶閥 金屬硬密封蝶閥 對焊式金屬硬密封蝶閥 手動法蘭式伸縮蝶閥 WMBV-100軟密封對夾式蝶閥 對夾式軟密封蝶閥 襯氟手動蝶閥 管網襯膠蝶閥 消防信號蝶閥  |  
  |