|

一、產品美標、日標球閥的詳細資料: 產品型號:Q41F 產品名稱:美標、日標球閥 

二、產品性能規范: 公稱壓力(PN) | 1.6 | 2.5 | 4.0 | 6.4 | 殼體試驗壓力 | 2.4 | 3.8 | 6.0 | 9.6 | 密封試驗(液) | 1.8 | 25.8 | 4.4 | 7.0 | 密封試驗(氣) | 0.5~0.7 | 適用介質 | C P R 水、油品、蒸汽 硝酸類 醋酸類 | 適用溫度 | ≤200 |
三、主要堆零件材料: 名稱 | WCB類 | CF8類 | CF3類 | CF8M類 | CF3M類 | 閥體左體 | A216-WCB | A315-CFB | A35-CF3 | A351-CF8M | A351-CF3M | 球體 | B2-B8 | A105-1025 | A182-F304L | A182-F304L | A132-F316 | A182-F316L | B8以上 | A216-WCB | A351-CF8M | A351-CF3 | A351-CF8M | A351-CF3M | 閥桿 | A182-F6a | A182-F304 | A182-F304L | A182-F336 | A182-F316L | 閥座 | | PTFE/增強PTFE/NYLIN | 閥座支承圈 | A105-1025 | A182-F304 | A182-F304L | A182-F316 | A182-F316L | 彈簧 | | 3yc-7/17-49H | O型圈 | NBR | 氟橡膠 | 螺柱 | A193-B7 | A193-B8 | 螺母 | A194-2H | A194-8 |
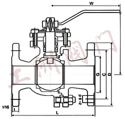
四、美標高平臺二片式球閥10K主要連接及重量: 尺寸 | inch | 1/2″ | 3/4″ | 1″ | 1-1/2″ | 2″ | 2-1/2″ | 3″ | 4″ | 5″ | 6″ | 8″ | 10″ | DN | 15 | 20 | 25 | 4 | 50 | 65 | 80 | 100 | 125 | 150 | 200 | 250 | L | mm | 108 | 117 | 127 | 165 | 178 | 190 | 203 | 229 | 356 | 394 | 457 | 533 | H | mm | 59 | 63 | 75 | 97 | 107 | 142 | 152 | 178 | 252 | 272 | 342 | 345 | W | mm | 130 | 130 | 160 | 230 | 230 | 400 | 400 | 700 | 1100 | 1100 | 1500 | 1500 | 重量 | |
|
|