| 
 
 
 一、產品[快速排污閥]的詳細資料: 產品型號:Z4448-16C、Z4448-25、Z4448-40型 產品名稱:快速排污閥  
 二、主要性能規范: 型號   | 公稱壓力   | 試驗壓力Ps(MPa)   | 適用介質   | 適用介質(℃)   |  | - | - |  P44 48H-16C  | 1.6  | 2.4  | 1.8  | 水、蒸汽   | ≤250  |  P44 48H-16  |  P44 48H-25C  | 2.5  | 3.8  | 2.8  |  P44 48H-25  | ≤425  |  P44 48H-40C  | 4.0  | 6.0  | 4.4  |  P44 48H-40  | ≤250  |  
 三、主要零件材料: 零件名稱   | 閥體、閥蓋   | 閥座、閘板   | 閥桿   | 齒輪軸   | 填料   | 墊片   | 扳手   |  P44 48H-16C P44 48H-25 P44 48H-40  | 鑄鋼   | 鉻不銹鋼   | 鉻不銹鋼   | 鉻不銹鋼   | 油浸石墨  石棉盤根   | 橡膠石  棉板   | 球墨  鑄鐵   |  
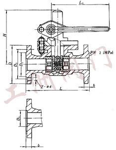
 四、快速排污閥主要尺寸及重量: 公稱壓力  PN(MPa)   | 公稱通徑  DN(mm)   | - | 重量(kg)   |  L  | D  | D1  | D2  | D6  | b  | ZΦd  | H  | LO  | - |  1.6  | 25  | 160  | 115  | 85  | 65  | -  | 14  | 4-Φ14   | 160  | 180  | 10  |  32  | 200  | 135  | 100  | 78  | -  | 16  | 4-Φ18   | 180  | 200  | 11  |  40  | 230  | 145  | 110  | 85  | -  | 16  | 4-Φ18   | 220  | 220  | 16  |  50  | 250  | 160  | 125  | 100  | -  | 16  | 4-Φ18   | 230  | 240  | 20  |  65  | 265  | 180  | 145  | 120  | -  | 18  | 4-Φ18   | 250  | 280  | 28  |  80  | 280  | 195  | 160  | 135  | -  | 20  | 8-Φ18   | 280  | 350  | 38  |  2.5  | 25  | 160  | 115  | 85  | 65  | -  | 16  | 4-Φ14   | 160  | 180  | 10  |  32  | 200  | 135  | 100  | 78  | -  | 18  | 4-Φ18   | 180  | 200  | 11  |  40  | 200  | 145  | 110  | 85  | - | 18  | 4-Φ18   | 220  | 220  | 16  |  50  | 250  | 160  | 125  | 100  | -  | 20  | 4-Φ18   | 230  | 240  | 20  |  65  | 265  | 180  | 145  | 120  | -  | 22  | 8-Φ18   | 250  | 280  | 28  |  80  | 280  | 195  | 160  | 135  | -  | 22  | 8-Φ18   | 280  | 350  | 38  |  4.0  | 25  | 160  | 115  | 85  | 65  | 58  | 16  | 4-Φ14   | 160  | 180  | 10  |  32  | 180  | 135  | 100  | 78  | 66  | 18  | 4-Φ18   | 180  | 200  | 11  |  40  | 230  | 145  | 110  | 85  | 76  | 18  | 4-Φ18   | 220  | 220  | 16  |  50  | 250  | 160  | 125  | 100  | 88  | 20  | 4-Φ18   | 230  | 240  | 20  |  65  | 265  | 180  | 145  | 125  | 110  | 22  | 8-Φ18   | 250  | 280  | 28  |  80  | 280  | 195  | 160  | 135  | 121  | 22  | 8-Φ18   | 280  | 350  | 38  |  
 訂貨須知: 一、①快速排污閥產品名稱與型號②快速排污閥口徑③快速排污閥是否帶附件二、若已經由設計單位選定公司的快速排污閥型號,請按快速排污閥型號 三、當使用的場合非常重要或環境比較復雜時,請您盡量提供設計圖紙和詳細參數,
  ? ? 相關產品: 高溫排污閥(替排污閥) 硬密封蝶閥 排污球閥 排污閥  |  
  |