|

一、產品[對夾式靜音止回閥]的詳細資料: 產品名稱:對夾式靜音止回閥 產品特點:對夾式靜音止目閻采用流體型設計.水頭損失較小.內部彈簧可加速關閉達到靜音效果:金屬對金屬確保密封的可靠性.安裝空間小。可安裝于水泵出水口處,能避免產生水錘、水擊聲和破坪性沖擊達到防止逆流和保護設備的目的。廣泛用于給排水、消防、建筑、暖通、工業系統。 
二、主要技術參數: 公稱通徑 | DN40-250mm | 公稱壓力 | 1.0/1.6MPa | 工作溫度 | 0℃-80℃ | 密封試驗 | 1.1倍公稱壓力 | 殼體試驗 | 1.5倍公稱壓力 |
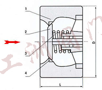
三、材質說明: 序號 | 零件名稱 | 材質 | 1 | 閥體 | GG25 | 2 | 閥瓣 | Bronze | 3 | 彈簧 | SUS316 | 4 | 閥座 | Bronze |
四、主要外形尺寸(法蘭鉆孔接GB/Tl724]6-1998標準)單位mm: 型號 | 公稱通徑 | L | D | CVWR-0040 | DN40 | 45 | 90 | CVWR-0050 | DN50 | 55 | 105 | CVWR-0065 | DN65 | 70 | 125 | CVWR-0080 | DN80 | 75 | 140 | CVWR-0100 | DN100 | 95 | 160 | CVWR-0125 | DN125 | 115 | 195 | CVWR-0150 | DN150 | 135 | 215 | CVWR-0200 | DN200 | 160 | 270 | CVWR-0250 | DN250 | 200 | 325 |
訂貨須知: 一、①靜音式對夾止回閥產品名稱與型號②靜音式對夾止回閥口徑③靜音式對夾止回閥是否帶附件二、若已經由設計單位選定公司的靜音式對夾止回閥型號,請按靜音式對夾止回閥型號 三、當使用的場合非常重要或環境比較復雜時,請您盡量提供設計圖紙和詳細參數,
? ? 相關產品: WM410系列止回閥 WM405系列三合一止回閥 國標鋼制止回閥 內螺紋旋啟式止回閥 升降止回閥 H41T型升降鑄鐵止回閥 旋啟式止回閥 內螺紋止回閥 升降式底閥 H71對夾升降式止回閥 對夾雙瓣旋啟式止回閥 對夾式升降止回閥 對夾式高壓止回閥 WM400系列止回閥 滑道滾球式止回閥 微阻緩閉蝶式止回閥 臥立兩用球面止回閥 |
|