|

產品[法蘭式多層次]的詳細資料 | 產品型號: | 149 | 產品名稱: | 法蘭式多層次 | 產品特點: | 法蘭式多層次金屬硬密封蝶閥,法蘭式蝶閥,多層次金屬硬密封蝶閥 |
|
 | 法蘭式多層次的詳細資料: |  |
法蘭式多層次金屬硬密封蝶閥,法蘭式蝶閥,多層次金屬硬密封蝶閥
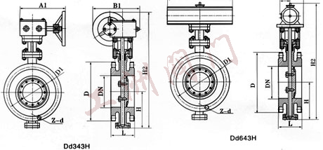
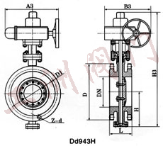
Dd3/6/9 43H-6/10C.P.R.V系列法蘭式多層次金屬硬密封蝶閥 公稱通徑 | 結構長度 (標準值) | 外形尺寸(參考值 ) | 連接尺寸(標準值) | L | H | Dd373H | Dd673H | Dd973H | PN0.6MPa | PN1.0MPa | 毫米 | 英寸 | 短 | 長 | H1 | A1 | B1 | H2 | A2 | B2 | H3 | A3 | B3 | D | D1 | Z-d | D | D1 | Z-d | 50 | 2 | 108 | 150 | 112 | 350 | 180 | 200 | 625 | 245 | 72 | 530 | 250 | 255 | 140 | 110 | 4-14 | 165 | 125 | 4-18 | 65 | 2 1/2 | 112 | 170 | 115 | 370 | 180 | 200 | 625 | 245 | 72 | 530 | 250 | 255 | 160 | 130 | 4-14 | 185 | 145 | 4-18 | 80 | 3 | 114 | 180 | 120 | 380 | 180 | 200 | 645 | 245 | 72 | 565 | 250 | 255 | 190 | 150 | 4-18 | 200 | 160 | 8-18 | 100 | 4 | 127 | 190 | 138 | 420 | 180 | 200 | 675 | 355 | 92 | 600 | 250 | 255 | 210 | 170 | 4-18 | 220 | 180 | 8-18 | 125 | 5 | 140 | 200 | 164 | 460 | 180 | 200 | 715 | 355 | 92 | 640 | 250 | 255 | 240 | 200 | 8-18 | 250 | 210 | 8-18 | 150 | 6 | 140 | 210 | 175 | 555 | 270 | 280 | 800 | 355 | 92 | 705 | 300 | 315 | 265 | 225 | 8-18 | 285 | 240 | 8-22 | 200 | 8 | 152 | 230 | 200 | 760 | 400 | 425 | 850 | 250 | 170 | 775 | 300 | 315 | 320 | 280 | 8-18 | 340 | 295 | 8-22 | 250 | 10 | 165 | 250 | 243 | 830 | 400 | 425 | 925 | 250 | 170 | 945 | 300 | 315 | 375 | 335 | 12-18 | 395 | 350 | 12-22 | 300 | 12 | 178 | 270 | 250 | 895 | 450 | 560 | 1035 | 450 | 220 | 1070 | 300 | 315 | 440 | 395 | 12-22 | 445 | 400 | 12-22 | 350 | 14 | 190 | 290 | 280 | 950 | 450 | 560 | 1070 | 450 | 220 | 1140 | 300 | 315 | 490 | 445 | 12-22 | 505 | 460 | 16-22 | 400 | 16 | 216 | 310 | 305 | 1190 | 535 | 580 | 1190 | 450 | 220 | 1210 | 300 | 315 | 540 | 495 | 16-22 | 565 | 515 | 16-26 | 450 | 18 | 222 | 330 | 350 | 1255 | 535 | 580 | 1250 | 650 | 280 | 1335 | 575 | 714 | 595 | 550 | 16-22 | 615 | 565 | 20-26 | 500 | 20 | 229 | 350 | 380 | 1305 | 535 | 580 | 1290 | 650 | 280 | 1415 | 575 | 714 | 645 | 600 | 20-22 | 670 | 620 | 20-26 | 600 | 24 | 267 | 390 | 445 | 1340 | 570 | 660 | 1455 | 850 | 380 | 1605 | 656 | 810 | 755 | 705 | 20-26 | 780 | 725 | 20-30 | 700 | 28 | 292 | 430 | 480 | 1520 | 750 | 550 | 1585 | 850 | 380 | 1844 | 656 | 810 | 860 | 810 | 24-26 | 895 | 840 | 24-30 | 800 | 32 | 318 | 470 | 530 | 1710 | 750 | 550 | 1700 | 1250 | 380 | 2040 | 656 | 810 | 975 | 920 | 24-30 | 1015 | 950 | 24-33 | 900 | 36 | 330 | 510 | 580 | 1810 | 750 | 550 | 1965 | 1250 | 380 | 2255 | 785 | 863 | 1075 | 1020 | 24-30 | 1115 | 1050 | 28-33 | 1000 | 40 | 410 | 550 | 650 | 1960 | 900 | 750 | 2015 | 1250 | 380 | 2380 | 785 | 863 | 1175 | 1120 | 28-30 | 1230 | 1160 | 28-36 | 1200 | 48 | 470 | 630 | 760 | 2250 | 1000 | 925 | 2250 | 1250 | 380 | 2640 | 785 | 863 | 1405 | 1340 | 32-33 | 1455 | 1380 | 32-39 | 1400 | 56 | 530 | 710 | 850 | 2435 | 1000 | 925 | | | | 2886 | | | 1630 | 1560 | 36-36 | 1675 | 1590 | 36-42 | 1600 | 64 | 600 | 790 | 1030 | 2780 | 1000 | 925 | | | | 3156 | | | 1830 | 1760 | 40-36 | 1915 | 1820 | 40-48 | 1800 | 72 | 670 | 870 | 1230 | 3020 | 1100 | 980 | | | | 3421 | | | 2045 | 1970 | 44-39 | 2115 | 2020 | 44-48 | 2000 | 80 | 760 | 950 | 1350 | 3270 | 1100 | 980 | | | | 3685 | | | 2265 | 2180 | 48-42 | 2325 | 2230 | 48-48 |
Dd3/6/9 43H-16/25C.P.R.V系列法蘭式多層次金屬硬密封蝶閥 公稱通徑 | 結構長度 (標準值) | 外形尺寸(參考值 ) | 連接尺寸(標準值) | L | H | Dd373H | Dd673H | Dd973H | PN0.6MPa | PN1.0MPa | 毫米 | 英寸 | 短 | 長 | H1 | A1 | B1 | H2 | A2 | B2 | H3 | A3 | B3 | D | D1 | Z-d | D | D1 | Z-d | 50 | 2 | 108 | 150 | 112 | 350 | 180 | 200 | 625 | 245 | 72 | 530 | 250 | 255 | 165 | 125 | 4-18 | 165 | 125 | 4-18 | 65 | 2 1/2 | 112 | 170 | 115 | 370 | 180 | 200 | 625 | 245 | 72 | 530 | 250 | 255 | 185 | 145 | 4-18 | 185 | 145 | 8-18 | 80 | 3 | 114 | 180 | 120 | 380 | 180 | 200 | 645 | 245 | 72 | 565 | 250 | 255 | 200 | 160 | 8-18 | 200 | 160 | 8-18 | 100 | 4 | 127 | 190 | 138 | 420 | 180 | 200 | 675 | 355 | 92 | 600 | 250 | 255 | 220 | 180 | 8-18 | 235 | 190 | 8-22 | 125 | 5 | 140 | 200 | 164 | 460 | 180 | 200 | 715 | 355 | 92 | 640 | 250 | 255 | 250 | 210 | 8-18 | 270 | 220 | 8-26 | 150 | 6 | 140 | 210 | 175 | 555 | 270 | 280 | 800 | 355 | 92 | 705 | 300 | 315 | 285 | 240 | 8-22 | 300 | 250 | 12-26 | 200 | 8 | 152 | 230 | 200 | 760 | 400 | 425 | 850 | 250 | 170 | 775 | 300 | 315 | 340 | 295 | 12-22 | 360 | 310 | 12-30 | 250 | 10 | 165 | 250 | 243 | 830 | 400 | 425 | 925 | 250 | 170 | 945 | 300 | 315 | 405 | 355 | 12-26 | 425 | 370 | 16-30 | 300 | 12 | 178 | 270 | 250 | 895 | 450 | 560 | 1035 | 450 | 220 | 1070 | 300 | 315 | 460 | 410 | 12-26 | 485 | 460 | 16-33 | 350 | 14 | 190 | 290 | 280 | 950 | 450 | 560 | 1070 | 450 | 220 | 1140 | 300 | 315 | 520 | 470 | 16-26 | 555 | 490 | 16-36 | 400 | 6 | 216 | 310 | 305 | 1190 | 535 | 580 | 1190 | 450 | 220 | 1210 | 300 | 315 | 580 | 525 | 16-30 | 620 | 5550 | 20-36 | 450 | 8 | 222 | 330 | 350 | 1255 | 535 | 580 | 1250 | 650 | 280 | 1335 | 575 | 714 | 640 | 585 | 20-30 | 670 | 600 | 20-36 | 500 | 20 | 229 | 350 | 380 | 1305 | 535 | 580 | 1290 | 650 | 280 | 1415 | 575 | 714 | 715 | 650 | 20-33 | 730 | 6660 | 20-39 | 600 | 24 | 267 | 390 | 445 | 1340 | 570 | 660 | 1455 | 850 | 380 | 1605 | 656 | 810 | 840 | 770 | 20-36 | 845 | 770 | 24-42 | 700 | 28 | 292 | , , 430 | 480 | 1520 | 750 | 550 | 1585 | 850 | 380 | 1844 | 656 | 810 | 910 | 840 | 24-36 | 960 | 875 | 24-48 | 800 | 32 | 318 | 470 | 530 | 1710 | 750 | 550 | 1700 | 1250 | 380 | 2040 | 656 | 810 | 1025 | 950 | 24-39 | 1085 | 990 | 28-48 | 900 | 36 | 330 | 510 | 580 | 1810 | 750 | 550 | 1965 | 1250 | 380 | 2255 | 785 | 863 | 1125 | 1050 | 28-39 | 1185 | 1090 | | 1000 | 40 | 410 | 550 | 650 | 1960 | 900 | 750 | 2015 | 1250 | 380 | 2380 | 785 | 863 | 1255 | 1170 | 28-42 | 1320 | 1210 | 28-56 | 1200 | 48 | 470 | 630 | 760 | 2250 | 1000 | 925 | 2250 | 1250 | 380 | 2640 | 785 | 863 | 1485 | 1390 | 32-48 | 1530 | 1420 | 65-56 | 1400 | 56 | 530 | 710 | 850 | 2435 | 1000 | 925 | | | | 2886 | | | 1685 | 1590 | 36-48 | 1755 | 1640 | 36-62 | 1600 | 64 | 600 | 790 | 1030 | 2780 | 1000 | 925 | | | | 3156 | | | 1930 | 1820 | 40-56 | 1975 | 1860 | 40-62 | 1800 | 72 | 670 | 870 | 1230 | 3020 | 1100 | 980 | | | | 3421 | | | 2130 | 2020 | 44-56 | 2195 | 2070 | 44-70 | 2000 | 80 | 760 | 950 | 1350 | 3270 | 1100 | 980 | | | | 3685 | | | 2345 | 2230 | 48-62 | 2425 | 2300 | 48-70 |
  Dd3/6/9 43H-40C.P.R.V系列法蘭式多層次金屬硬密封蝶閥 公稱通徑 | 結構長度 (標準值) | 外形尺寸(參考值 ) | 連接尺寸(標準值) | L | H | Dd373H | Dd673H | Dd973H | PN4.0MPa | 毫米 | 英寸 | 短 | 長 | H1 | A1 | B1 | H2 | A2 | B2 | H3 | A3 | B3 | D | D1 | Z-d | 50 | 2 | 108 | 150 | 112 | 350 | 180 | 200 | 625 | 250 | 170 | 530 | 250 | 255 | 165 | 125 | 4-18 | 65 | 2 1/2 | 112 | 170 | 115 | 370 | 270 | 280 | 625 | 250 | 170 | 530 | 250 | 255 | 185 | 145 | 8-18 | 80 | 3 | 114 | 180 | 120 | 380 | 270 | 280 | 645 | 250 | 170 | 565 | 250 | 255 | 200 | 160 | 8-18 | 100 | 4 | 127 | 190 | 138 | 420 | 270 | 280 | 675 | 250 | 170 | 600 | 250 | 255 | 235 | 190 | 8-22 | 125 | 5 | 140 | 200 | 164 | 460 | 380 | 420 | 715 | 450 | 220 | 640 | 250 | 255 | 270 | 220 | 8-26 | 150 | 6 | 140 | 210 | 175 | 555 | 380 | 420 | 800 | 450 | 220 | 705 | 300 | 315 | 300 | 250 | 8-26 | 200 | 8 | 152 | 230 | 200 | 760 | 400 | 425 | 850 | 450 | 220 | 775 | 300 | 315 | 375 | 320 | 12-30 | 250 | 10 | 165 | 250 | 243 | 830 | 400 | 425 | 925 | 450 | 280 | 945 | 300 | 315 | 450 | 385 | 12-33 | 300 | 12 | 178 | 270 | 250 | 895 | 450 | 560 | 1035 | 650 | 280 | 1070 | 300 | 315 | 515 | 450 | 16-33 | 350 | 14 | 190 | 290 | 280 | 950 | 450 | 560 | 1070 | 650 | 280 | 1140 | 300 | 315 | 580 | 510 | 16-36 | 400 | 16 | 216 | 310 | 305 | 1190 | 535 | 580 | 1190 | 650 | 280 | 1210 | 300 | 315 | 660 | 585 | 16-39 | 450 | 18 | 222 | 330 | 350 | 1255 | 535 | 580 | | | | 1335 | 575 | 714 | 685 | 610 | 20-39 | 500 | 20 | 229 | 350 | 380 | 1305 | 535 | 580 | | | | 1415 | 575 | 714 | 755 | 670 | 20-42 |
注:法蘭標準:GB/T9113.1-2000 GB/T9113.2-2000 GB/T9115.1-2000 GB/T9115.2-2000 用戶注意:表中H1、H2、H3尺寸均可根據用戶需要加長(長桿蝶閥),本產品一般按短系列,若需長系列或特殊材料定貨時提出 注:Dt-代表彈多層次密封結構 |
|
|
|
| | ? |
|
|