|

一、產品[廣式內螺紋球閥]的詳細資料 : 產品型號:Q11F-64P 產品名稱:廣式內螺紋球閥 產品特點:應用規范公稱壓力:1.6~6.4MPa 適用溫度范圍:-20~232℃~350℃ 適用介質:水、油、氣及某些腐蝕性液體(W.O.C)螺紋類型:G?NPT.BSPT.BSP.DIN259/2999 廣式內螺紋球閥,螺紋球閥,高壓內螺紋球閥。 
二、主要零件材料: 適用介質 | 型號 | 閥體 | 球體、閥桿 | 手柄 | 密封圈 | 墊片、填料 | 水、蒸汽、油品 | Q11F-16C、Q11F-25C Q11F-40C、Q11F-64C | A105、45 | 1Cr18/1Cr18Ni9Ti | 不 銹 鋼 SS304 | 聚四氟乙烯PTFE增強聚四氟乙烯VUILUK PTFE對位聚苯PPL | 聚四氟乙烯PTFE對位聚苯PPL | 硝酸類 | Q11F-16P、Q11F-25P Q11F-40P、Q11F-64P | SS304/1Cr18Ni19Ti | SS304/1Cr18Ni9Ti | 醋酸類 | Q11F-16R、Q11F-25R Q11F-40R、Q11F-64R | SS316/Cr18Ni12Mo2Ti | SS316/1Cr18Ni12Mo2Ti |
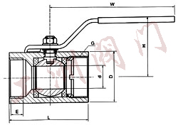
三、Q11F廣式內螺紋球閥主要尺寸: 公稱通徑 | 管螺紋 | 尺寸(mm) | 重量WT(g) | d | L | W | H | E | D | D | 6 | 1/4″ | 8 | 60 | 110 | 56 | 11.5 | 30 | 320 | 10 | 3/8″ | 18 | 60 | 110 | 58 | 11.5 | 31 | 320 | 15 | 1/2″ | 10.5 | 60 | 110 | 58 | 14 | 32 | 350 | 20 | 3/4″ | 13 | 67.5 | 110 | 62 | 15 | 38 | 430 | 25 | 1″ | 17 | 73 | 110 | 68 | 15 | 45 | 570 | 32 | 1 1/4″ | 22 | 90 | 150 | 75 | 18 | 53.4 | 1000 | 40 | 1 1/2″ | 25 | 97.5 | 150 | 83 | 19 | 63 | 1550 | 50 | 2″ | 32 | 112 | 150 | 90 | 19 | 73 | 2170 | 65 | 2 1/2″ | 40 | 132 | 180 | 95 | 21 | 92 | 3625 | 80 | 3″ | 50 | 156 | 220 | 100 | 27 | 109 | 5800 | 100 | 4″ | 65 | 196 | 250 | 115 | 29 | 138 | 7200 |
螺紋標準:G?DIN2999 GB307-87、NPT.BSP ? 訂貨須知: 1.產品型號與名稱 2.公稱通徑DN 3.額定流量系數KV 4.公稱壓力和壓差 5.閥體和閥內組件材料 6.流量特性 7.適用溫度 8.電源電壓和控制信號 9.是否帶附件 ? 相關產品: 意大利式超短型球閥 法蘭連接三通球閥 不銹鋼高溫整體式球閥 三段式高壓法蘭球閥 美標金屬硬密封球閥 不銹鋼美標固定球閥 美標固定三段式球閥 Q347F蝸輪固定球閥 |
|