|

一、產品[國標鋼制止回閥]的詳細資料: 產品名稱:國標鋼制止回閥 二、執行標準: 類型 | 設計與制造 | 結構長度 | 法蘭尺寸 | 壓力溫度 | 試驗-檢驗 | 旋啟式止回閥 | GB12236 | GB12221 | GB9113 JB79 | GB9131 | GB/T13927 JB/9092 | 升降式止回閥 | GB12235 |
三、壓力試驗: 公稱壓力 | 1.6 | 2.5 | 4.0 | 6.4 | 10.0 | 16.0 | 強度試驗 | 2.4 | 3.8 | 6.0 | 9.6 | 15.0 | 24.0 | 水密封試驗 | 1.8 | 2.8 | 4.4 | 7.0 | 11.0 | 18.0 | 氣密封試驗 | 0.5-0.7 |
四、主要零件材料及性能: 體、蓋、板 | 閥桿 | 密封面 | 墊片 | 密封面 | 工作溫度℃ | 適用介質 | WCB | WCB | 1Cr13 | 增強柔性石墨 1Cr13/柔性石墨 PTFE 齒輪墊片 | 13Cr STL 本材料 尼龍 | ≤425 | 水蒸汽油品 | WC6 | WC6 | ≤540 | WC9 | WC9 | ≤570 | ZGCr5Mo | ZGCr5Mo | ≤550 | ZG1Cr18Ni9Ti | ZG1Cr18Ni9Ti | ZG1Cr18Ni9Ti | ≤200 | 硝酸類 | ZG1Cr18Ni12Mo9Ti | ZG1Cr18Ni12Mo9Ti | ZG1Cr18Ni12Mo9Ti | ≤200 | 醋酸類 |
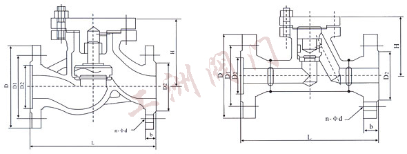
五、國標升降式止回閥: 
六、國標鋼制止回閥規格主要尺寸和重量: 1.6MPa | DN | L | D | D1 | D2 | b | n-Φd | H | W(kg) | 凸面法蘭 RF H41H H41Y H41W H41N 16C 16P 16R | 15 | 130 | 95 | 65 | 45 | 14 | 4-14 | 58 | 2.0 | 20 | 150 | 105 | 75 | 55 | 14 | 4-14 | 63 | 2.7 | 25 | 160 | 115 | 85 | 65 | 14 | 4-14 | 71 | 3.5 | 32 | 180 | 135 | 100 | 78 | 16 | 4-18 | 84 | 5.4 | 40 | 200 | 145 | 110 | 85 | 16 | 4-18 | 96 | 6.5 | 50 | 230 | 160 | 125 | 100 | 16 | 4-18 | 115 | 9.1 | 65 | 290 | 180 | 145 | 120 | 18 | 4-18 | 145 | 14 | 80 | 310 | 195 | 160 | 135 | 20 | 8-18 | 156 | 25 | 100 | 350 | 215 | 180 | 155 | 20 | 8-18 | 170 | 40 | 125 | 400 | 245 | 210 | 185 | 22 | 8-18 | 201 | 56 | 150 | 480 | 280 | 240 | 210 | 24 | 8-23 | 238 | 90 | 2.5MPa | 15 | 130 | 95 | 65 | 45 | 16 | 4-14 | 60 | 4 | 凸面法蘭 RF H41H H41Y H41W H41N 25 25P 25R | 20 | 150 | 105 | 75 | 55 | 16 | 4-14 | 64 | 5 | 25 | 160 | 115 | 85 | 65 | 16 | 4-14 | 68 | 6 | 32 | 180 | 135 | 100 | 78 | 18 | 4-18 | 79 | 9 | 40 | 200 | 145 | 110 | 85 | 18 | 4-18 | 98 | 12 | 50 | 230 | 160 | 125 | 100 | 20 | 4-18 | 110 | 16 | 65 | 290 | 180 | 145 | 120 | 22 | 8-18 | 160 | 24 | 80 | 310 | 195 | 160 | 135 | 22 | 8-18 | 170 | 31 | 100 | 350 | 230 | 190 | 160 | 24 | 8-23 | 195 | 45 | 125 | 400 | 270 | 220 | 188 | 28 | 8-25 | 225 | 68 | 150 | 480 | 300 | 250 | 210 | 30 | 8-25 | 255 | 100 | 4.0MPa | DN | L | D | D1 | D2 | b | n-d | H | 重量 | 凹凸法蘭 MFM H41H H41Y H41W H41N 40 40P 40R 40I | 15 | 130 | 95 | 65 | 40 | 16 | 4-14 | 100 | 4 | 20 | 150 | 105 | 75 | 51 | 16 | 4-14 | 105 | 5 | 25 | 160 | 115 | 85 | 58 | 16 | 4-14 | 120 | 6 | 32 | 180 | 135 | 100 | 66 | 18 | 4-18 | 130 | 9 | 40 | 200 | 145 | 110 | 76 | 18 | 4-18 | 135 | 12 | 50 | 230 | 160 | 125 | 88 | 20 | 4-18 | 149 | 15 | 65 | 290 | 180 | 145 | 110 | 22 | 8-18 | 164 | 18 | 80 | 310 | 195 | 160 | 121 | 22 | 8-18 | 169 | 25 | 100 | 350 | 230 | 190 | 150 | 24 | 8-23 | 194 | 35 | 125 | 400 | 270 | 220 | 176 | 28 | 8-25 | 225 | 65 | 150 | 480 | 300 | 250 | 204 | 30 | 8-25 | 255 | 100 | | 15 | 210 | 105 | 75 | 40 | 18 | 4-14 | 100 | 7 | 凹凸法蘭 MFM H41H H41Y H41W H41N 64 64P 64R 64I | 20 | 230 | 125 | 90 | 51 | 20 | 4-18 | 110 | 11 | 25 | 230 | 135 | 100 | 58 | 22 | 4-18 | 125 | 13 | 32 | 260 | 150 | 110 | 66 | 24 | 4-23 | 152 | 14 | 40 | 260 | 165 | 125 | 76 | 24 | 4-23 | 168 | 20 | 50 | 300 | 175 | 135 | 88 | 26 | 4-23 | 170 | 23 | 65 | 340 | 200 | 160 | 110 | 28 | 823 | 188 | 37 | 80 | 380 | 210 | 170 | 121 | 30 | 8-23 | 205 | 46 | 100 | 430 | 250 | 200 | 150 | 32 | 8-25 | 230 | 68 | 125 | 500 | 295 | 240 | 176 | 36 | 8-30 | 245 | 93 | 150 | 550 | 340 | 280 | 204 | 38 | 8-34 | 265 | 120 | | 15 | 210 | 105 | 75 | 40 | 20 | 4-14 | 100 | 7 | 凹凸法蘭 MFM H41H H41Y H41W H41N 100 100P 100R 100I | 20 | 230 | 125 | 90 | 51 | 22 | 4-18 | 110 | 11 | 25 | 230 | 135 | 100 | 58 | 24 | 4-18 | 125 | 13 | 32 | 260 | 150 | 110 | 66 | 24 | 4-23 | 140 | 14 | 40 | 260 | 165 | 125 | 76 | 26 | 4-23 | 168 | 25 | 50 | 300 | 195 | 145 | 88 | 28 | 4-25 | 170 | 28 | 65 | 340 | 200 | 170 | 110 | 32 | 8-25 | 188 | 42 | 80 | 380 | 230 | 180 | 121 | 34 | 8-25 | 205 | 65 | 100 | 430 | 265 | 210 | 150 | 38 | 8-30 | 230 | 95 | 125 | 500 | 310 | 250 | 176 | 42 | 8-34 | 245 | 115 | 150 | 550 | 350 | 290 | 204 | 46 | 12-34 | 265 | 142 |
訂貨須知: 一、①國標鋼制止回閥產品名稱與型號②國標鋼制止回閥口徑③國標鋼制止回閥是否帶附件二、若已經由設計單位選定公司的國標鋼制止回閥型號,請按國標鋼制止回閥型號 三、當使用的場合非常重要或環境比較復雜時,請您盡量提供設計圖紙和詳細參數,
? ? 相關產品: 靜音式對夾止回閥 WM410系列止回閥 WM405系列三合一止回閥 升降止回閥 H41T型升降鑄鐵止回閥 旋啟式止回閥 內螺紋止回閥 升降式底閥 H71對夾升降式止回閥 對夾雙瓣旋啟式止回閥 對夾式升降止回閥 對夾式高壓止回閥 WM400系列止回閥 滑道滾球式止回閥 微阻緩閉蝶式止回閥 臥立兩用球面止回閥 蝶型緩閉止回閥 微阻緩閉消聲止回閥 蝶式緩沖止回閥 對夾式止回閥 微阻球形止回閥 對夾旋啟式止回閥 橡膠瓣止回閥 節能消聲止回閥 靜音止回閥 靜音式止回閥 對夾式靜音止回閥 立式止回閥 微阻緩閉止回閥 |
|