| 
 
 
 一、產品[對夾式彈性硬密封]的詳細資料: 產品名稱:對夾式彈性硬密封 產品特點:對夾式彈性硬密封,對夾式硬密封,彈性硬密封    
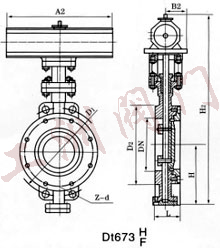
 二、Dt3/6/973H-6/10C.P.R.V系列對夾式彈性金屬硬密封蝶閥: 公稱通徑   | 結構長度(標準值)   | 外形尺寸(參考值 )   | 連接尺寸(標準值)   |  H  | Dt373H  | Dt673H  | Dt973H  | PN0.6MPa  | PN1.0MPa  |  毫米   | 英寸   | L  | H1  | A1  | B1  | H2  | A2  | B2  | H3  | A3  | B3  | D1  | Z-d  | D1  | Z-d  |  50  | 2  | 43  | 112  | 350  | 180  | 200  | 625  | 245  | 72  | 530  | 250  | 255  | 110  | 4-14  | 125  | 4-18  |  65  | 2 1/2  | 46  | 115  | 370  | 180  | 200  | 625  | 245  | 72  | 530  | 250   | 255  | 130  | 4-14  | 145  | 4-18  |  80  | 3  | 49  | 120  | 380  | 180  | 200  | 645  | 245  | 72  | 565  | 250   | 255  | 150  | 4-18  | 160  | 8-18  |  100  | 4  | 56  | 138  | 420  | 180  | 200  | 675  | 355  | 92  | 600  | 250   | 255  | 170  | 4-18  | 180  | 8-18  |  125  | 5  | 64  | 164  | 460  | 180  | 200  | 715  | 355  | 92  | 640  | 250   | 255  | 200  | 8-18  | 210  | 8-18  |  150  | 6  | 70  | 175  | 555  | 270  | 280  | 800  | 355  | 92  | 705  | 300  | 315  | 225  | 8-18  | 240  | 8-22  |  200  | 8  | 71  | 208  | 605  | 270  | 280  | 850  | 250  | 170  | 775  | 300  | 315   | 280  | 8-18  | 295  | 8-22  |  250  | 10  | 76  | 243  | 680  | 270  | 280  | 925  | 250  | 170  | 945  | 300  | 315   | 335  | 12-18  | 350  | 12-22  |  300  | 12  | 83  | 283  | 800  | 380  | 420  | 1035  | 450  | 220  | 1070  | 300  | 315   | 395  | 12-22  | 400  | 12-22  |  350  | 14  | 92  | 310  | 835  | 380  | 420  | 1070  | 450  | 220  | 1140  | 300  | 315   | 445  | 12-22  | 460  | 16-22  |  400  | 6  | 102  | 340  | 915  | 450  | 470  | 1190  | 450  | 220  | 1210  | 300  | 315   | 495  | 16-22  | 515  | 16-26  |  450  | 8  | 114  | 380  | 960  | 480  | 490  | 1250  | 650  | 280  | 1335  | 575  | 714  | 550  | 16-22  | 565  | 20-26  |  500  | 20  | 127  | 410  | 1020  | 480  | 490  | 1290  | 650  | 280  | 1415  | 575  | 714  | 600  | 20-22  | 620  | 20-26  |  600  | 24  | 154  | 470  | 1225  | 480  | 490  | 1455  | 850  | 380  | 1605  | 656  | 810  | 705  | 20-26  | 725  | 20-30  |  700  | 28  | 165  | 550  | 1355  | 640  | 660  | 1585  | 850  | 380  | 1844  | 656  | 810  | 810  | 24-26  | 840  | 24-30  |  800  | 32  | 190  | 640  | 1470  | 640  | 660  | 1700  | 1250  | 380  | 2040  | 656  | 810  | 920  | 24-30  | 950  | 24-33  |  900  | 36  | 203  | 710  | 1545  | 750  | 860  | 1965  | 1250  | 380  | 2255  | 785  | 863  | 1020  | 24-30  | 1050  | 28-33  |  1000  | 40  | 216  | 770  | 1795  | 850  | 900  | 2015  | 1250  | 380  | 2380  | 785  | 863  | 1120  | 28-30  | 1160  | 28-36  |  1200  | 48  | 254  | 890  | 1965  | 850  | 900  | 2250  | 1250  | 380  | 2640  | 785  | 863  | 1340  | 32-33  | 1380  | 32-39  |  
 三、Dt3/6/973H-6/10C.P.R.V系列對夾式彈性金屬硬密封蝶閥: 公稱通徑   | 結構長度(標準值)   | 外形尺寸(參考值 )   | 連接尺寸(標準值)   |  H  | Dt373H  | Dt673H  | D973H  | PN0.6MPa  | PN1.0MPa  |  毫米   | 英寸   | L  | H1  | A1  | B1  | H2  | A2  | B2  | H3  | A3  | B3  | D1  | Z-d  | D1  | Z-d  |  50  | 2  | 43  | 112  | 350  | 180  | 200  | 625  | 245  | 72  | 530  | 250  | 255  | 125  | 4-14  | 125  | 4-18  |  65  | 2 1/2  | 46  | 115  | 370  | 180  | 200  | 625  | 245  | 72  | 530  | 250   | 255  | 145  | 4-14  | 145  | 8-18  |  80  | 3  | 49  | 120  | 380  | 180  | 200  | 645  | 245  | 72  | 565  | 250   | 255  | 160  | 8-18  | 160  | 8-18  |  100  | 4  | 56  | 138  | 420  | 180  | 200  | 675  | 355  | 92  | 600  | 250   | 255  | 180  | 8-18  | 190  | 8-22  |  125  | 5  | 64  | 164  | 460  | 180  | 200  | 715  | 355  | 92  | 640  | 250   | 255  | 210  | 8-18  | 220  | 8-26  |  150  | 6  | 70  | 175  | 555  | 270  | 280  | 800  | 355  | 92  | 705  | 300  | 315  | 240  | 8-22  | 250  | 8-26  |  200  | 8  | 71  | 208  | 605  | 270  | 280  | 850  | 250  | 170  | 300  | 315   | 295  | 12-22  | 310  | 12-26  |  250  | 10  | 76  | 243  | 680  | 270  | 280  | 925  | 250  | 170  | 945  | 300  | 315   | 355  | 12-26  | 370  | 12-30  |  300  | 12  | 83  | 283  | 825  | 380  | 420  | 1035  | 450  | 220  | 1070  | 300  | 315   | 410  | 12-26  | 430  | 16-30  |  350  | 14  | 92  | 310  | 900  | 380  | 420  | 1070  | 450  | 220  | 1140  | 300  | 315   | 470  | 16-26  | 490  | 16-33  |  400  | 6  | 102  | 340  | 980  | 450  | 470  | 1190  | 450  | 220  | 1210  | 300  | 315   | 525  | 16-30  | 550  | 16-36  |  450  | 8  | 114  | 380  | 1030  | 480  | 490  | 1250  | 650  | 280  | 1335  | 575  | 714  | 585  | 20-30  | 600  | 20-36  |  500  | 20  | 127  | 410  | 1105  | 480  | 490  | 1290  | 650  | 280  | 1415  | 575  | 714  | 650  | 20-33  | 660  | 20-36  |  600  | 24  | 154  | 470  | 1310  | 480  | 490  | 1455  | 850  | 380  | 1605  | 656  | 810  | 770  | 20-36  | 770  | 20-39  |  700  | 28  | 165  | 550  | 1435  | 640  | 660  | 1585  | 850  | 380  | 1844  | 656  | 810  | 840  | 24-26  | 875  | 24-42  |  800  | 32  | 190  | 640  | 1605  | 640  | 660  | 1700  | 1250  | 380  | 2040  | 656  | 810  | 950  | 24-39  | 990  | 24-48  |  900  | 36  | 203  | 710  | 1745  | 750  | 860  | 1865  | 1250  | 380  | 2255  | 785  | 863  | 1050  | 28-39  | 1090  | 28-48  |  1000  | 40  | 216  | 770  | 1885  | 850  | 900  | 2015  | 1250  | 380  | 2380  | 785  | 863  | 1170  | 28-42  | 1210  | 28-56  |  1200  | 48  | 254  | 890  | 2105  | 850  | 900  | 2250  | 1250  | 380  | 2640  | 785  | 863  | 1390  | 32-48  | 1420  | 32-56  |  
 注:Dt-代表彈性密封結構  訂貨須知: 一、①對夾式彈性硬密封蝶閥產品名稱與型號②對夾式彈性硬密封蝶閥口徑③對夾式彈性硬密封蝶閥是否帶附件二、若已經由設計單位選定公司的對夾式彈性硬密封蝶閥型號,請按對夾式彈性硬密封蝶閥型號 三、當使用的場合非常重要或環境比較復雜時,請您盡量提供設計圖紙和詳細參數,
  ? 相關產品: 管網襯膠蝶閥 消防信號蝶閥 通風蝶閥 信號蝶閥 手動空氣調節蝶閥 液控緩閉止回蝶閥 高真空蝶閥 美標蝶閥 日標蝶閥 伸縮器 法蘭式伸縮蝶閥  |  
  |