| 
 
 
 一、產品說明:  
 二、產品概述: 
     作為新一代調速型蝶閥,本閥從設計思路上改變了傳統的靠機械變速來完成蝶板開關速度變化得模式,根據蝶板不同位置得動作特點,從電動驅動控制上進行了全新的設計。本系列蝶閥采取改變電動裝置輸入電流的頻率,進而調整電動裝置的轉動速度和輸出力矩,以達到控制蝶板開關速度,實現蝶板快關、慢關兩階段關閉或慢開、快開兩階段開啟的目的。與液控蝶閥具有同樣的功能。  三、產品用途: 
     本閥適用于介質為水、海水的管路的 泵出口位置,作為閉路閥兼有止回閥的特性,用以避免和減少管路系統中介質的倒流和水錘沖擊,保護管路.對于電廠、水廠等工作電源十分可靠的場合尤其適用。
 四、產品特點:
  1、電動啟閉,具有任意調整、止回和截止功能。操作方便,安全可靠。 2、本閥可連續實現慢開、快開或快關、慢關的動作,并有效的防止了泵出口介質倒流和水錘的產生。 3、節能驅動,與普通蝶閥同樣的驅動電機即可實現快關段高速小轉矩和慢關低段大轉矩的功能。 4、安裝在泵出口時,本蝶閥同時具有止回啊和閘閥的共同功能,因此可以一閥代兩閥,節約安裝空間,節省管網造價。 5、流阻小。本閥全開時流阻系數不超過0.3,因此可以節約能源,降低管路的運行費用。 6、當發生事故或停電時,可以通過手動操作控制蝶閥啟閉。 五、主要技術參數: 公稱壓力(MPa)  |  0.25  | 0.6  | 1.0  |  公稱通經(mm)  | 1000~2400  | 800~2400  | 500~1600  |  試驗壓力  | 強度試驗  | 0.375  | 0.90  | 1.5  |  密封試驗  | 0.275  | 0.66  | 1.1  |  適用介質  | 水、海水  |  適用溫度(℃)  | ≤80℃  |  安裝方式  | 立式、臥式  |  
 六、執行標準: 設計制造  | 法蘭連接尺寸  | 結構長度  | 壓力試驗  |  GB12238  | GB2555-2526-8  | GB12221  | GB/T13927  |  
 七、主要零部件材料: 零件名稱  | 材料  | 備注  |  閥體、蝶板、端蓋  | HT200、HT250、QT450-10  |  |  閥軸、錐銷  | 2Cr13  |  |  閥體密封圈  | 1Cr18Ni9Ti、2Cr13  |  |  蝶板密封圈  | NBR、1Cr18Ni9Ti  |  |  軸承  | SF-1、 SF-2  | 自潤滑  |  填料  | NBR  |  |  
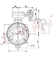
 八、DV943X/H電動調速電動蝶閥外形主要外形連接尺寸單位:mm: PN  | DN  | L  | A  | H1  | H2  | DO  | B1  | B2  | B3  | B4  |  0.25MPa  | 1000  | 410  | -  | 817  | 1303  | 400  | 225  | 709  | 303  | 770  |  1200  | 470  | 1200  | 812  | 1529  | 400  | 225  | 709  | 303  | 760  |  1400  | 530  | 1400  | 1020  | 1692  | 400  | 225  | 728  | 303  | 760  |  1600  | 600  | 1600  | 1145  | 1885  | 400  | 275  | 843  | 385  | 778  |  1800  | 670  | 1800  | 1315  | 1924  | 400  | 275  | 879  | 385  | 792  |  2000  | 760  | 2000  | 1670  | 2095  | 400  | 275  | 969  | 450  | 856  |  2200  | 840  | 2200  | 1739  | 2487  | 400  | 430  | 1103  | 540  | 995  |  2400  | 910  | 2400  | 1699  | 2595  | 400  | 430  | 1103  | 540  | 995  |  
 PN  | DN  | L  | A  | H1  | H2  | DO  | B1  | B2  | B3  | B4  |  0.6MPa  | 800  | 318  | -  | 667  | 1190  | 500  | 175  | 583  | 230  | 683  |  900  | 330  | -  | 745  | 1245  | 400  | 225  | 709  | 303  | 770  |  1000  | 410  | -  | 817  | 1303  | 400  | 225  | 709  | 303  | 760  |  1200  | 470  | 1200  | 912  | 1529  | 400  | 225  | 728  | 303  | 760  |  1400  | 530  | 1400  | 1041  | 1693  | 400  | 275  | 843  | 385  | 778  |  1600  | 600  | 1600  | 1145  | 1885  | 400  | 275  | 879  | 385  | 792  |  1800  | 670  | 1800  | 1346  | 1924  | 400  | 275  | 969  | 450  | 856  |  2000  | 760  | 2000  | 1670  | 2095  | 400  | 430  | 1103  | 540  | 995  |  2200  | 840  | 2200  | 1739  | 2487  | 400  | 430  | 1103  | 540  | 995  |  2400  | 910  | 2400  | 1850  | 2595  | 400  | 430  | 1103  | 540  | 995  |  
 PN  | DN  | L  | A  | H1  | H2  | DO  | B1  | B2  | B3  | B4  |  1.0MPa  | 500  | 229  | -  | 548  | 943  | 500  | 145  | 533  | 162  | 610  |  600  | 267  | -  | 583  | 985  | 500  | 175  | 583  | 230  | 683  |  700  | 292  | -  | 612  | 1075  | 500  | 175  | 583  | 230  | 683  |  800  | 318  | -  | 677  | 1190  | 400  | 225  | 709  | 303  | 770  |  900  | 330  | -  | 745  | 1245  | 400  | 225  | 709  | 303  | 760  |  1000  | 410  | -  | 817  | 1303  | 400  | 225  | 728  | 303  | 760  |  1200  | 470  | 1200  | 948  | 1529  | 400  | 275  | 843  | 385  | 778  |  1400  | 530  | 1400  | 1158  | 1692  | 400  | 275  | 879  | 385  | 792  |  1600  | 600  | 1600  | 1285  | 1885  | 400  | 275  | 969  | 450  | 856  |  
 訂貨須知: 一、①電動調速蝶閥產品名稱與型號②電動調速蝶閥口徑③電動調速蝶閥是否帶附件二、若已經由設計單位選定公司的電動調速蝶閥型號,請按電動調速蝶閥型號 三、當使用的場合非常重要或環境比較復雜時,請您盡量提供設計圖紙和詳細參數,
  ? ? 相關產品: 電動伸縮蝶閥 電動二通球閥 電動法蘭通風蝶閥 電動法蘭式大口徑蝶閥 D971X電動對夾式軟密封蝶閥  |  
  |