|

一、產品[三片式球閥]的詳細資料: 產品型號: 3PCQ11F-64P 產品名稱: 三片式球閥 產品特點: 應用規范公稱壓力:1.6-6.4MPa 適用溫度范圍:-20~232℃~350℃ 適用介質:水、油、氣及某些腐蝕液體(W.O.G)螺紋類型:G?NPT.BSPT.BSP.DIN259/2999 三片式球閥價格,三片式球閥廠家,三片式球閥報價。 
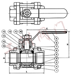
二、主要零件材料: 序號 | 零件名稱 | 材質 | 不銹鋼 | 碳鋼 | 1 | 閥體 | 不銹鋼CF8M | 碳鋼WCB | 2 | 密封圈 | 聚四氟乙烯PTFE | 聚四氟乙烯PTFE | 3 | 閥蓋 | 不銹鋼CF8M | 碳鋼WCB | 4 | 球體 | 不銹鋼SS316 | 不銹鋼SS304 | 5 | 閥桿 | 不銹鋼SS316 | 不銹鋼SS316 | 6 | 螺母 | 不銹鋼SS304 | FCD45 | 7 | 墊圈 | 不銹鋼SS304 | FCD45 | 8 | 手柄套 | 塑料 | 塑料 | 9 | 手柄 | 不銹鋼SS304 | 不銹鋼SS304 | 10 | 閥桿螺母 | 不銹鋼SS304 | B7 | 11 | 墊圈 | 不銹鋼SS304 | 不銹鋼SS304 | 12 | 填料壓蓋螺母 | 不銹鋼SS304 | FCD45 | 13 | 填料 | 聚四氟乙烯PTFE | 聚四氟乙稀PTFE | 14 | 止推墊圈 | 聚四氟乙烯PTFE | 聚四氟乙稀PTFE | 15 | 填料 | 聚四氟乙烯PTFE | 聚四氟乙稀PTFE | 16 | 螺栓 | 不銹鋼SS304 | B8 |
三、三片式球閥主要尺寸: SIZE | 1/4″ | 3/8″ | 1/2″ | 3/4″ | 1″ | 11/4″ | 11/2″ | 2″ | 21/2″ | 3″ | 4″ | D | 11.6 | 12.7 | 15 | 20 | 25 | 32 | 38 | 50 | 65 | 80 | 100 | L | 68 | 68 | 72 | 85 | 90 | 112 | 120 | 145 | 185 | 210 | 268 | H | 100 | 100 | 130 | 130 | 165 | 165 | 190 | 190 | 250 | 250 | 280 | E | 100 | 100 | 130 | 130 | 165 | 165 | 190 | 190 | 250 | 250 | 280 | 重量WT(g) | 400 | 405 | 640 | 890 | 1160 | 2195 | 2940 | 4865 | 7000 | 10700 | 19350 |
? 訂貨須知: 一、①不銹鋼三片式球閥產品名稱與型號②不銹鋼三片式球閥口徑③不銹鋼三片式球閥是否帶附件二、若已經由設計單位選定公司的不銹鋼三片式球閥型號,請按不銹鋼三片式球閥型號 三、當使用的場合非常重要或環境比較復雜時,請您盡量提供設計圖紙和詳細參數,
? ? 相關產品: Q21F廣式球閥 高壓鍛打小型球閥 高壓內螺紋球閥 不銹鋼三通球閥 三鍛式承插焊接球閥 不銹鋼三片式球閥 二片式球閥 一片式球閥 |
|