| 
 
 
 一、產品[保溫球閥(替球閥)]的詳細資料: 產品名稱:保溫球閥(替球閥)  
 二、性能規范: 型號   | 公稱壓力(MPa)   | 試驗壓力Ps(MPa)   | 工作溫度(℃)   | 適用介質   |  強度水(MPa)   | 密封水(MPa)   | 氣密封(MPa)   |  PF?QQ41M-16   | 1.6  | 2.4  | 1.8  | 0.6  | ≤300  | 氣動、水、油等   |  PF?QQ41M-25Q   | 2.5  | 4.0  | 2.8  | ≤350  |  
 三、主要零件材料: 零件名稱   | 材料   |  PF?QQ41M-10 16   | PF?QQ41M-25Q   |  閥體   | HT200  | QT450-10  |  球體   | 不銹鋼   |  閥桿   | 45#  |  手柄   | Q235  |  密封圈   | 復合石墨   |  
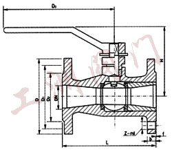
 四、不銹鋼保溫球閥外形尺寸和連接尺寸: 型號   | 公稱通徑   | 尺寸(mm)   |  L  | D  | D1  | D2  | b-f  | Z-Φd  | H  | Do  |   | 15  | 115  | 95  | 65  | 45  | 14-2  | 4-14  | 105  | 150  |   | 20  | 130  | 105  | 75  | 55  | 16-2  | 4-14  | 110  | 150  |   | 25  | 140  | 115  | 85  | 65  | 16-2  | 4-14  | 120  | 160  |   | 32  | 165  | 135  | 100  | 78  | 16-2  | 4-18  | 145  | 160  |   | 40  | 180  | 145  | 110  | 85  | 16-2  | 4-18  | 155  | 250  |   | 50  | 200  | 160  | 125  | 100  | 18-3  | 4-18  | 175  | 300  |   | 65  | 220  | 180  | 145  | 120  | 18-3  | 4-18  | 195  | 300  |   | 80  | 250  | 195  | 160  | 135  | 20-3  | 8-18  | 225  | 320  |   | 100  | 280  | 215  | 180  | 155  | 20-3  | 8-18  | 255  | 320  |   | 125  | 320  | 245  | 210  | 185  | 22-3  | 8-18  | 285  | 400  |   | 150  | 360  | 280  | 240  | 210  | 24-3  | 8-23  | 295  | 400  |   | 200  | 400  | 335  | 295  | 265  | 30-3  | 12-23  | 330  | 450  |   | 40  | 180  | 145  | 110  | 85  | 18-3  | 4-18  | 155  | 250  |   | 50  | 200  | 160  | 125  | 100  | 20-3  | 4-18  | 175  | 300  |   | 65  | 220  | 180  | 145  | 120  | 22-3  | 8-18  | 195  | 300  |   | 80  | 250  | 195  | 160  | 135  | 22-3  | 8-18  | 225  | 320  |   | 100  | 280  | 230  | 190  | 160  | 24-3  | 8-23  | 255  | 320  |   | 125  | 320  | 270  | 220  | 188  | 28-3  | 8-25  | 285  | 400  |   | 150  | 360  | 300  | 250  | 218  | 30-3  | 8-25  | 295  | 400  |   | 200  | 400  | 360  | 310  | 278  | 34-3  | 12-25  | 330  | 450  |  
 訂貨須知: 一、①不銹鋼保溫球閥產品名稱與型號②不銹鋼保溫球閥口徑③不銹鋼保溫球閥是否帶附件二、若已經由設計單位選定公司的不銹鋼保溫球閥型號,請按不銹鋼保溫球閥型號 三、當使用的場合非常重要或環境比較復雜時,請您盡量提供設計圖紙和詳細參數,
  ? ? 相關產品: 保溫截止閥 保溫球閥 夾套保溫球閥 三通保溫球閥 氣動保溫球閥 保溫球閥 保溫閘閥  |  
  |