| 
 
 
 一、產品[旋塞閥]的詳細資料: 產品名稱:三通保溫旋塞閥 產品特點:BX44W-1.0(P、R)C三通保溫旋塞閥,C三通保溫旋塞閥,保溫旋塞閥  
 二、主要性能規范: 型號   | 公稱壓力PN(MPa)  | 試驗壓力PS(MPa)  | 工作壓力P(MPa)   | 適用介質   | 適用溫度(℃)聚四氟乙烯   |  殼體   | 密封   |  BX44W-1.0P  | 1.0  | 1.5  | 1.1  | 1.0  | 硝酸類等   | ≤250  |  BX44W-1.0C  | 1.0  | 1.5  | 1.1  | 1.0  | 非腐蝕、弱腐蝕   | ≤200  |  
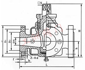
 三、BX44W三通保溫旋塞閥主要尺寸: 口徑   | L  | D  | D1  | D2  | Z-∮d  |  20  | 150  | 105  | 75  | 55  | 4×14   |  25  | 160  | 115  | 85  | 65  | 4×14  |  32  | 190  | 135  | 100  | 78  | 4×18  |  40  | 200  | 145  | 110  | 85  | 4×18  |  50  | 220  | 160  | 125  | 100  | 4×18  |  65  | 280  | 180  | 145  | 120  | 4×18  |  80  | 300  | 195  | 160  | 135  | 4×18  |  100  | 340  | 215  | 180  | 155  | 8×18  |  125  | 350  | 245  | 210  | 185  | 8×18   |  150  | 400  | 280  | 240  | 210  | 8×23  |  200  | 480  | 335  | 295  | 265  | 8×23  |  250  | 530  | 390  | 350  | 320  | 12×23  |  300  | 610  | 440  | 400  | 368  | 12×23  |  
 四、主要零件材料: 零件名稱   | 閥體、塞子   | 填料   |  BX44W-1.0P BX44W-1.0R  | 不銹鋼   | 石墨   |  BX44W-1.0C  | 鑄鋼   |  
 訂貨須知: 一、①BX44W三通保溫旋塞閥產品名稱與型號②BX44W三通保溫旋塞閥口徑③BX44W三通保溫旋塞閥是否帶附件二、若已經由設計單位選定公司的BX44W三通保溫旋塞閥型號,請按BX44W三通保溫旋塞閥型號 三、當使用的場合非常重要或環境比較復雜時,請您盡量提供設計圖紙和詳細參數,
  ? 相關產品: 三通內螺紋旋塞閥 不銹鋼絲口旋塞閥 美標旋塞閥 卡套式旋塞閥 法蘭銅心旋塞閥 不銹鋼法蘭式旋塞閥 二通法蘭式黃銅旋塞閥 法蘭三通旋塞閥 旋塞閥 X13W內螺紋旋塞閥 襯膠旋塞閥 三通內螺紋全銅旋塞閥 壓力表三通旋塞閥 鑄鐵保溫旋塞閥 BX43W二通保溫旋塞閥 X47油密封旋塞閥 X44W三通法蘭式旋塞閥  |  
  |