| 
 
 
 一、產品[截止閥]的詳細資料: 產品型號:保溫夾套直流式截止閥 產品名稱:截止閥 產品特點:保溫夾套直流式截止閥,保溫夾套截止閥,直流式截止閥  
 二、主要性能規范: 型號   | 公稱壓力 PN(Mpa)   | 試驗壓力PS(MPa)  | 工作溫度 (℃)   | 適用介質   | 工作蒸汽壓力(Mpa)   |  殼體   | 密封(水)   |  BJ45W-25P  | 2.5  | 3.75  | 2.75  | ≤200  | 硝酸類   | ≤1.0  |  BJ45W-40P  | 4.0  | 6.0  | 4.4  |  BJ45W-64P  | 6.4  | 9.0  | 6.6  |  BJ45W-25P  | 2.5  | 3.75  | 2.75  | 醋酸類   |  BJ45W-40P  | 4.0  | 6.0  | 4.4  |  BJ45W-64P  | 6.4  | 9.0  | 6.6  |  
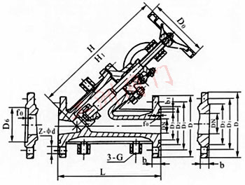
 二、保溫夾套直流式截止閥主要尺寸: 公稱壓力PN( MPa)   | 公稱通徑DN(mm)   | 尺寸(mm)   |  L  | D  | D1  | D2  | D3  | b1  | f0  | b  | D6  | 3-G  | Z-φD  | H  | H1  | DO  |  2.5 4.0  | 15  | 170  | 105  | 75  | 55  | 35  | 8  | 4  | 16  | 51  | 3/8  | 4-φ14  | 250  | 262  | 120  |  20  | 190  | 115  | 85  | 65  | 42  | 8  | 4  | 16  | 58  | 3/8  | 4-φ14  | 292  | 308  | 140  |  25  | 210  | 135  | 100  | 78  | 50  | 8  | 4  | 18  | 66  | 3/8  | 4-φ18  | 340  | 375  | 160  |  32  | 230  | 145  | 110  | 85  | 60  | 8  | 4  | 18  | 76  | 1/2  | 4-φ18  | 338  | 375  | 160  |  40  | 260  | 160  | 125  | 100  | 72  | 8  | 4  | 20  | 88  | 1/2  | 4-φ18  | 360  | 386  | 160  |  50  | 300  | 180  | 145  | 120  | 94  | 8  | 4  | 22  | 110  | 1/2  | 4-φ18  | 410  | 450  | 240  |  65  | 340  | 195  | 160  | 135  | 105  | 8  | 4  | 22  | 121  | 1/2  | 4-φ18  | 440  | 485  | 240  |  80  | 380  | 230  | 190  | 160  | 128  | 11  | 4.5  | 24  | 150  | 1/2  | 4-φ23  | 540  | 600  | 280  |  100  | 430  | 270  | 220  | 188  | 154  | 11  | 4.5  | 28  | 176  | 1/2  | 4-φ25  | 560  | 625  | 320  |  125  | 490  | 300  | 250  | 218  | 182  | 11  | 4.5  | 30  | 204  | 1/2  | 4-φ25  | 625  | 737  | 360  |  150  | 550  | 330  | 280  | 248  | 212  | 11  | 4.5  | 32  | 204  | 1/2  | 4-φ25  | 720  | 790  | 360  |  
 三、主要零件材料: 零件名稱   | 閥體、閥蓋   | 閥關瓣   | 墊片   |  JB45W-25P\BJ45W-40P\BJ45W-64P  | 鉻鎳鈦鋼   | 鉻鎳鈦鋼+硬質合金   | 聚四氟乙烯   |  JB45W-25P\BJ45W-40P\BJ45W-64P  | 鉻鎳鉬鈦鋼   | 鉻鎳鉬鈦鋼+硬質合金   | 聚四氟乙烯   |  
 訂貨須知: 一、①保溫夾套直流式截止閥產品名稱與型號②保溫夾套直流式截止閥口徑③保溫夾套直流式截止閥是否帶附件二、若已經由設計單位選定公司的保溫夾套直流式截止閥型號,請按保溫夾套直流式截止閥型號 三、當使用的場合非常重要或環境比較復雜時,請您盡量提供設計圖紙和詳細參數,
  ? ? 相關產品: J41W截止閥 不銹鋼截止閥 鑄鋼截止閥 國際法蘭截止閥 國際法蘭截止閥 J941H電動法蘭截止閥 DJ41Y型低溫截止閥 保溫截止閥 直流式對焊截止閥 保溫直流式截止閥 波紋管截止閥 J41T鑄鐵截止閥 內螺紋截止閥 角式截止閥 水封式閥門  |  
  |