|


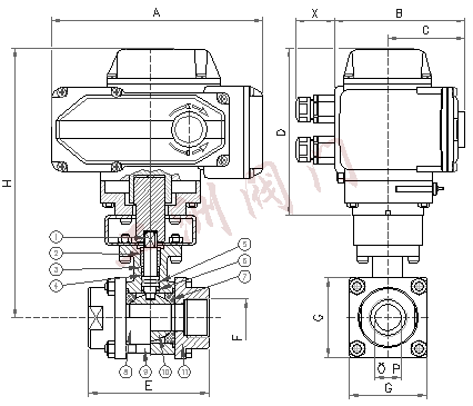
一、不銹鋼三片式電動球閥閥門特性: 生產成三片式方便需要經常維修的設備插入。 端口:內螺紋 UNI/ISO7/1 Rp; 承插焊接和對接焊。 工作溫度: -20℃ 至+160℃ 工作壓力: 見圖. 流體范圍:空氣、水、氣體、石油和石化產品、腐蝕性介質。 閥門頭規格ISO5211 
| 閥門材料 | | 1) 軸 Shaft | 不銹鋼 ANSI316 | 1.4401 | UNIX5CrNiMo 17 12 | | 2) 防松螺母 Lock nut | 不銹鋼 ANSI304 | 1.4301 | UNIX5CrNi 18 10 | | 3) 壓緊環型螺母 Gland nut ring | 不銹鋼 ANSI304 | 1.4301 | UNIX5CrNi 18 10 | | 4) 頂部密封環 至p tight ring | 聚四氯乙烯 P.T.F.E. | ? | ? | | 5) O環 O-Ring | 氟橡膠 VITON | ? | ? | | 6) 墊圈 Washer | 聚四氯乙烯 P.T.F.E. | ? | ? | | 7) 密封圈 Seals | 聚四氯乙烯 P.T.F.E. | ? | ? | | 8) 閥體 Body | 不銹鋼 ANSI316 | 1.4408 | ? | | 9) 螺釘 Screws | 不銹鋼 ANSI304 | 1.4301 | UNIX5CrNi 18 10 | | 10) 球體 Ball | 不銹鋼 ANSI316 | 1.4401 | UNIX5CrNiMo 17 12 | | 11) 端部 End | 不銹鋼 ANSI316 | 1.4408 | ? |
二、不銹鋼三片式電動球閥尺寸表: | DN | mm. | 10 | 15 | 20 | 25 | 32 | 40 | 50 | | 內螺紋尺寸 | GAS | 3/8" | 1/2" | 3/4" | 1" | 1"1/4 | 1"1/2 | 2" | | 通徑? | mm. | 10 | 15 | 20 | 25 | 32 | 40 | 50 | | A | mm. | 207,5 | 207,5 | 207,5 | 207,5 | 207,5 | 256,5 | 256,5 | | B | mm. | 122,5 | 122,5 | 122,5 | 122,5 | 122,5 | 156,5 | 156,5 | | C | mm. | 68 | 68 | 68 | 68 | 68 | 94 | 94 | | D | mm. | 163,5 | 163,5 | 163,5 | 163,5 | 163,5 | 185 | 185 | | X | mm. | 44 | 44 | 44 | 44 | 44 | 44 | 44 | | E | mm. | 70 | 70 | 80 | 90 | 100 | 114 | 136 | | G | mm. | 40 | 40 | 45 | 60 | 70 | 80 | 90 | | H | mm. | 245 | 245 | 248,5 | 255 | 260 | 299 | 307 | | T. of cycle 50/60 Hz | s. | 15 /12,5 | 15 /12,5 | 15 /12,5 | 15 /12,5 | 15 /12,5 | 15 /12,5 | 15 /12,5 | | 重量 | Kg. | 5,9 | 5,9 | 6 | 6,6 | 7 | 12,9 | 14 |
? 訂貨須知: 一、①不銹鋼三片式電動球閥產品名稱與型號②不銹鋼三片式電動球閥口徑③不銹鋼三片式電動球閥是否帶附件二、若已經由設計單位選定公司的不銹鋼三片式電動球閥型號,請按不銹鋼三片式電動球閥號 三、當使用的場合非常重要或環境比較復雜時,請您盡量提供設計圖紙和詳細參數,
? ? ? 相關產品: 不銹鋼電動球閥 電動超薄型球閥 電動四通球閥 電動固定式球閥 不銹鋼電動四通換向球閥 電動O型切斷球閥 電動高壓螺紋球閥 Q947F固定式電動球閥 電動微型球閥 電動塑料球閥 上裝式電動球閥 二位三通雙動自保持球閥 |
|