|

一、產品[氨氣止回閥]概述: 產品型號:H42N 產品名稱:氨用立式止回閥 產品特點:該閥門閥瓣利用流體壓差和自身的重量實現升降,適用于大部分的罐內垂直管路上,自動阻止介質逆流,保護上游設備。 
二、主要設計參數: 設計、制造:GB/T12235-89 法蘭連接:JB/T79-94、GB9113-2000 結構長度:GB12221-89 公稱通徑:DN32~DN200mm 公稱壓力:PN1.6、2.5、4.0MP。 三、主要性能參數: 公稱壓力 | 殼體試驗 | 密封試驗 | 適用介質 | 適宜溫度 | 1.6 | 2.4 | 1.76 | 氨氣、天然氣等 | -40~+80℃ | 2.5 | 3.75 | 2.75 | 4.0 | 6.0 | 4.4 |
四、主要零件材料: 閥體、閥蓋 | 閥瓣 | 密封面 | WCB | 碳鋼 | 不銹鋼和尼龍1010 |
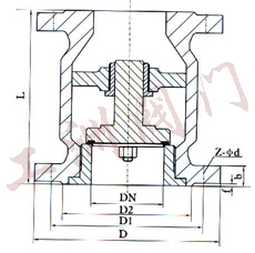
五、氨氣止回閥主要外形尺寸: 公稱通徑 DN(mm) | H41N-25型主要尺寸(mm) | 重量(kg) | L | D | D1 | D2 | b | Z-фd | 32 | 110 | 135 | 100 | 78 | 18 | 4-18 | - | 40 | 120 | 145 | 110 | 85 | 18 | 4-18 | - | 50 | 140 | 160 | 125 | 100 | 20 | 4-18 | 7.7 | 65 | 160 | 180 | 145 | 120 | 22 | 8-18 | 10.8 | 80 | 185 | 195 | 160 | 135 | 22 | 8-18 | 11.9 | 100 | 210 | 230 | 190 | 160 | 24 | 8-23 | 19.1 | 125 | 275 | 270 | 220 | 188 | 28 | 8-25 | - | 150 | 300 | 300 | 250 | 218 | 30 | 8-25 | 46.4 | 200 | PN1.6 PN2.5 | 380 | 360 | 310 | 278 | 34 | 12-25 | 63.5 | |
PN4.0 | 380 | 375 | 320 | 282 | 38 | 12-30 | - |
訂貨須知: 一、①氨氣止回閥產品名稱與型號②氨氣止回閥口徑③氨氣止回閥是否帶附件二、若已經由設計單位選定公司的氨氣止回閥型號,請按氨氣止回閥型號 三、當使用的場合非常重要或環境比較復雜時,請您盡量提供設計圖紙和詳細參數,
? ? 相關產品: 氨用止回閥 氨氣止回閥 |
|